Porsche 924 Motor Schmierung Teile

Motor Schmierung

  
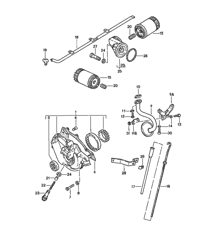
Pos__Part_Number__DescriptionRemarkQty.Model
  engine lubrication   924
1 046 115 105 Aoil pump  1  
4 N 033 178 1countersunk-head Schraube  6  
  M 6 X 15    
5 048 115 147sealing ring  1  
  35 X 54 X 10    
6 * 046 115 189 Agasket  1  
7 N 010 339 3hexagon-head bolt  5  
  M 6 X 40    
7 N 010 347 3hexagon-head bolt  1  
  M 6 X 35    
8 900 031 011 02washer  6  
  6,4    
9 047 115 251 Bintake pipe  1  
  use also:    
  047.115.267.C    
  047.115.285    
9A 047 115 267 Cretaining bracket  1  
9B 047 115 285pipe clamp  1  
10 * 048 115 257gasket  1  
11 048 115 259tab washer  1  
12 N 900 572 01hexagon socket head bolt  2  
  M 6 X 15    
13 N 010 210 7hexagon-head bolt  1  
  M 6 X 10    
14 N 012 226 5spring washer  1  
15 931 107 701 00oil filter  1  
16 047 115 611oil level dipstick  1  
  with    
  guide tube    
  210 MM    
16 047 115 611 Aoil level dipstick  1  
  without    
  guide tube    
  392 MM    
  
Pos__Part_Number__DescriptionRemarkQty.Model
-059 115 625sealing ring  1  
17 047 103 635guide tube  1  
18 047 115 701oil splash tube  1  
19 052 115 707adapter  1  
20 059 115 721union  1  
21 056 115 411 Apiston  1  
22 068 115 421spring  1  
23 046 115 419housing relief valve  1  
24 N 043 815 2sealing ring A 20 X 24  2  
28 047 115 641support  1  
29 047 115 645pipe clamp  1  
30 900 067 011 02pan-head Schraube M 6 X 20  2  
31 900 076 010 02hexagon nut  2  


Porsche 944 8Mail.de Fanpage

Porsche 944 Home


FreeCounter by http://www.eurocounter.com