Porsche 924 Auspuff System Teile

Auspuff System

  
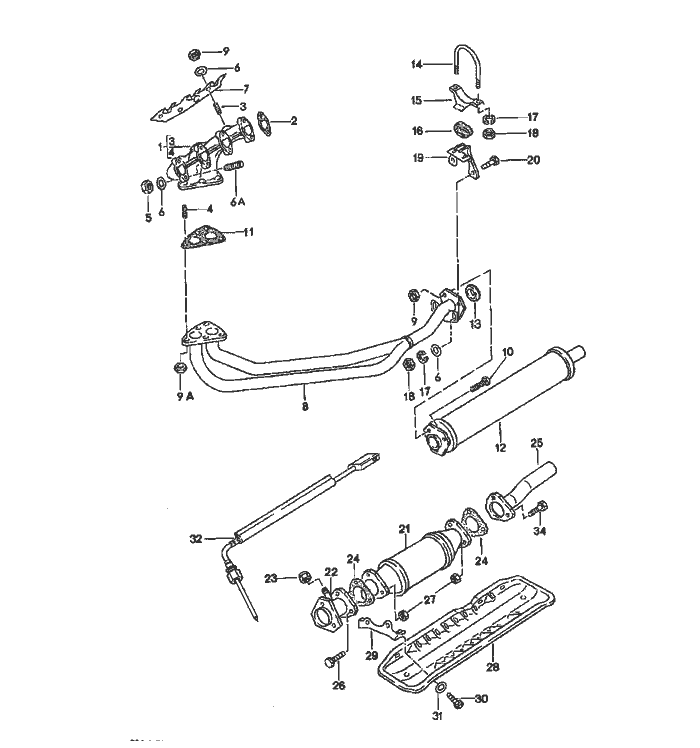
Pos__Part_Number__DescriptionRemarkQty.Model
  exhaust system     924
  catalytic converter      
1 048 129 587 Dexhaust manifold Left Hand Drive 1  
2 * 048 129 589 Agasket   4  
3 N 044 511 1stud   3  
  M 8 X 18      
4 N 044 514 4stud   5  
  M 8 X 25      
5 N 900 850 01hexagon nut   8  
  M 8      
6 N 011 525 13washer   11  
6A N 044 411 5stud   8  
  M 8 X 30      
7 047 129 595 Dcover plate Left Hand Drive 1  
(8) 477 253 101 Hexhaust pipe   1 XH
(8) 477 253 101 Lexhaust pipe   1 XE XG XF
  use also:    
  for    
  XF    
  047.131.631.G    
  047.131.645    
  047.131.649.G    
  047.131.677    
9 803 253 111lock nut   6  
9A 311 101 463hexagon nut   5  
  M 8      
10 N 010 353 3hexagon-head bolt   3  
  M 8 X 42      
11 477 253 115 Egasket Left Hand Drive 1  
13 477 253 137sealing ring   1  
14 477 253 139clip   1  
15 944 111 307 00support   1  
16 477 253 140 Arubber mounting   1  
17 900 027 015 02lock ring   2  
  
Pos__Part_Number__DescriptionRemarkQty.Model
18 N 011 008 8hexagon nut  2  
19 477 253 245support  1  
20 N 010 240 16hexagon-head bolt  2  
  M 8 X 20    
21 477 131 701catalytic converter  1  
(21) 477 131 701 Acatalytic converter  1 (J)
22 477 253 159connection piece  1  
23 4A0 131 737 Acap nut  1  
24 443 253 115 Bgasket  2  
25 477 253 095connecting tube  1  
(25) 477 253 095connecting tube  1 (J)
26 N 010 233 6hexagon-head bolt  6  
  M 8 X 28    
27 803 253 111lock nut  6  
28 810 253 243heat shield  1  
29 477 253 453support  2  
30 N 010 210 7hexagon-head bolt  4  
  M 6 X 10    
31 N 011 524 7washer  4  
32 477 906 080temperature sensor  1 (J)
34 N 010 233 6hexagon-head bolt  3  
  M 8 X 28    
  heat shield    
  see group    
  8/01/05    


Porsche 944 8Mail.de Fanpage

Porsche 944 Home


FreeCounter by http://www.eurocounter.com