Porsche 924 Auspuff System Teile

Auspuff System

  
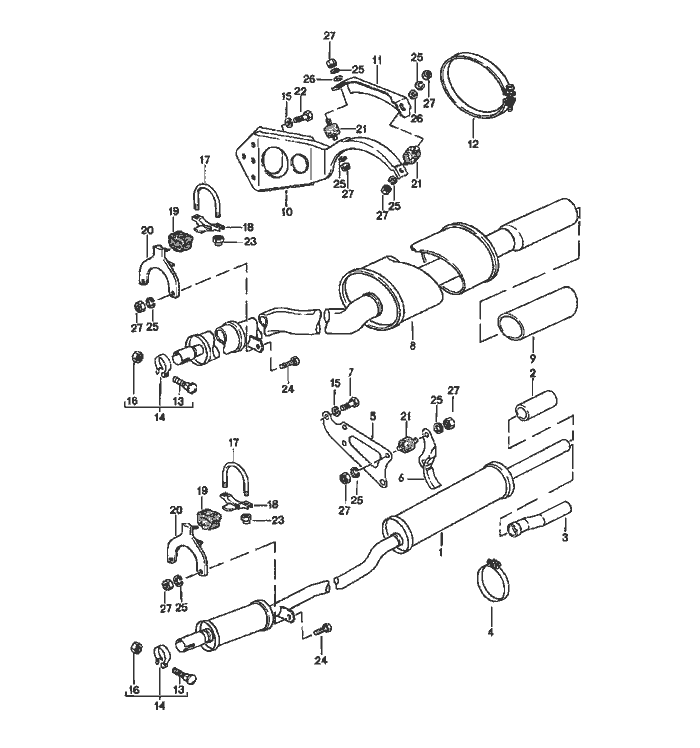
Pos__Part_Number__DescriptionRemarkQty.Model
  exhaust system   924
  rear muffler    
1 477 253 125 Crear muffler -77 1  
  round    
2 477 253 191 Bornamental exhaust pipe -77 1  
  black    
3 477 253 131 Ftail pipe -77 1  
  with    
  trailer coupling    
4 N 900 190 01clamp -77 1  
5 477 253 647support -77 1  
(5) 477 253 311 Asupport AUT. -77 1  
6 477 253 253retaining bracket -77 1  
(6) 477 253 253 Aretaining bracket AUT. -77 1  
7 N 010 253 7hexagon-head bolt -77 3  
  M 10 X 22    
8 477 253 125 Srear muffler  1  
  oval    
9 477 253 191 Cornamental exhaust pipe  1  
  chrome    
-477 253 111 Aend piece  1 (J)
10 477 253 251support  1  
  for    
  5-speed    
  transmission    
(10) 477 253 255 Bsupport  1  
  for    
  4-speed    
  transmission    
(10) 477 253 255 Csupport  1  
  for    
  automatic transmission    
11 477 253 253 Cretaining bracket  1  
  for    
  4-speed    
  and    
  automatic transmission    
  
Pos__Part_Number__DescriptionRemarkQty.Model
(11) 477 253 253 Dretaining bracket  1  
  for    
  5-speed    
  transmission    
12 477 253 325 Aclamp  1  
13 N 902 064 01round head Schraube  1  
  M 10 X 50    
14 191 253 139 Aclamp  1  
16 N 011 010 6hexagon nut  1  
17 477 253 139clip  1  
18 944 111 307 00support  1  
19 477 253 140 Arubber mounting  1  
20 477 253 245support  1  
21 477 253 149 Cbonded rubber buffer  2  
(21) 999 703 317 00bonded rubber buffer  2  
  with    
  trailer coupling    
22 900 074 063 02hexagon-head bolt  3  
  M 10 X 55    
23 900 910 097 02lock nut  2  
24 N 010 240 16hexagon-head bolt  2  
  M 8 X 20    
25 900 027 015 02lock ring  6  
26 N 011 525 13washer  2  
27 N 011 008 8hexagon nut  6  
  heat shield    
  see group    
  8/01/05    


Porsche 944 8Mail.de Fanpage

Porsche 944 Home


FreeCounter by http://www.eurocounter.com