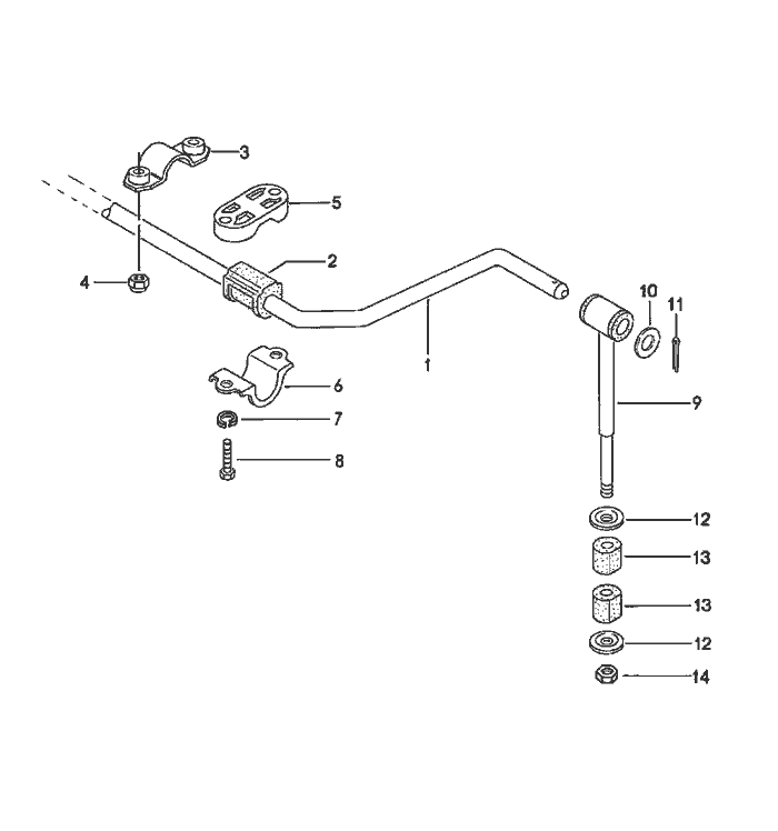
Porsche 924 Stabiliser Teile

Stabiliser

  
Pos__Part_Number__DescriptionRemarkQty.Model
  stabiliser    
1 477 411 309 Fstabiliser -77 1  
  20 $    
1 477 411 309 Gstabiliser 78 1  
  22 $    
1 477 411 309 Lstabiliser 791  
  23 $    
2 477 411 313 Cstabiliser mounting -77 2  
  20 $    
2 477 411 313 Estabiliser mounting 78 2  
  22 $    
2 477 411 313 Hstabiliser mounting 792  
  23 $    
3 477 411 023intermediate piece 792  
4 900 910 022 09lock nut 794  
  M 8    
5 477 411 321 Cintermediate piece -78 2  
6 133 411 333clip -78 2  
6 477 411 319clip 792  
7 900 027 015 02lock ring  4  
  B 8    
8 N 010 340 4hexagon-head bolt -78 4  
  M 8 X 40    
9 477 411 057 Fpush rod -77 2  
  20 $    
9 477 411 057 Gpush rod 78 2  
  22 $    
9 477 411 057 Kpush rod 792  
  23 $    
10 477 411 317 Bwasher 792  
  23 $    
11 N 012 536 1cotter pin 792  
  4 X 30    
  
Pos__Part_Number__DescriptionRemarkQty.Model
12 477 411 043concave washer for stabiliser mounting  4  
13 477 411 041 Brubber mounting  4  
14 N 011 185 6hexagon nut M 10  2  


Porsche 944 8Mail.de Fanpage

Porsche 944 Home


FreeCounter by http://www.eurocounter.com