Porsche 924 Lenkung Gear Teile

Lenkung Gear

  
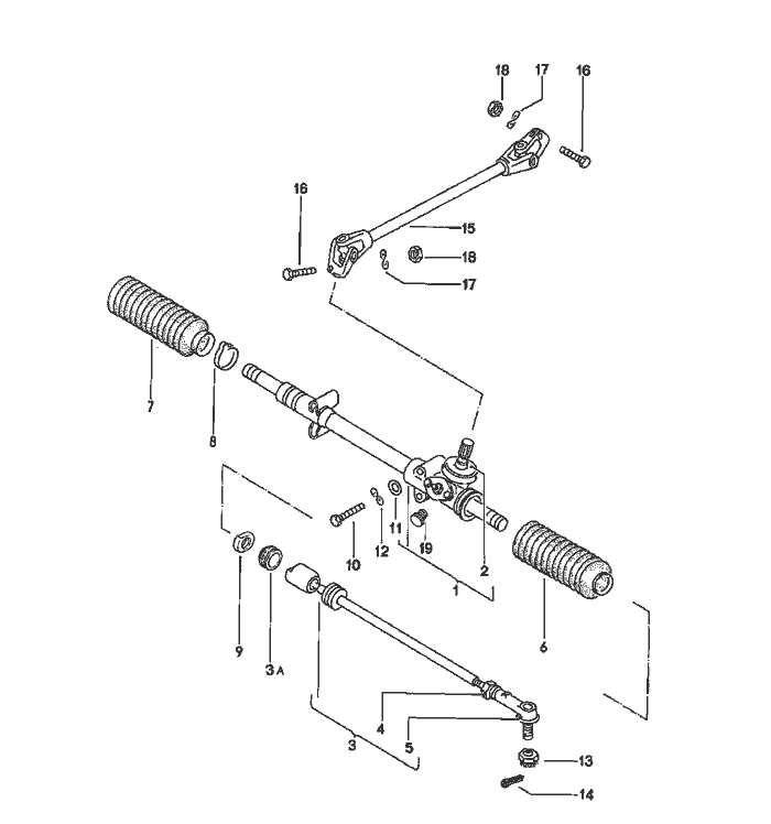
Pos__Part_Number__DescriptionRemarkQty.Model
  steering gear    
  tie rod    
1 477 419 061 Csteering gear Left Hand Drive 1  
2 477 419 321cap   1  
3 477 419 803 Btie rod   2  
  use also:      
3A 477 419 827stop ring   2  
4 900 078 005 01hexagon nut   2  
  M 14 X 1,5      
5 477 419 815ball joint   2  
6 171 419 831 Cboot Left 1  
7 171 419 832 Cbellows Right 1  
8 823 419 843terminal   1  
9 171 419 855nut   2  
10 N 010 248 1hexagon-head bolt   4  
  M 8 X 60      
11 N 011 525 13washer   2  
12 N 012 228 3spring washer   4  
13 N 011 212 2castle nut   2  
  M 12 X 1,5    
14 N 012 532 1cotter pin   2  
15 477 419 951 Fdrive shaft Left Hand Drive 1  
16 N 010 359 4hexagon-head bolt   2  
  M 8 X 38      
17 N 012 241 11spring washer   2  
  B 8 X 18      
18 900 910 022 09lock nut   2  
19 477 419 115stopper   1  


Porsche 944 8Mail.de Fanpage

Porsche 944 Home


FreeCounter by http://www.eurocounter.com