Porsche 924 Shift Mechanism Teile

Shift Mechanism

  
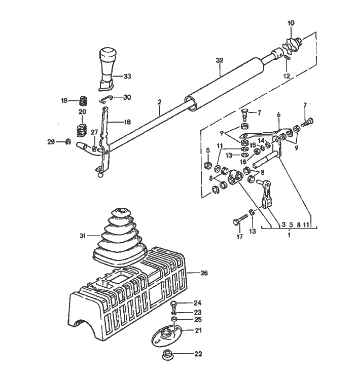
Pos__Part_Number__DescriptionRemarkQty.Model
  shift mechanism   924
  manual transmission    
1 477 711 103 Bintermediate shift lever  1  
2 477 711 107 Bgear shift rod  1  
(2) 944 424 019 00gear shift rod  1  
  use also:    
  477.711.125.B    
-477 711 103 Cintermediate shift lever  1  
3 N 012 415 1circlip  1  
5 803 253 111lock nut  1  
6 944 424 141 00joint rod  1  
7 477 711 147 Aball pin  2  
8 477 711 149sealing ring  4  
9 477 711 155 Asealing ring  4  
10 477 711 159 Abellows  1  
11 311 827 181washer  2  
12 823 711 833hexagon-head bolt  1  
13 N 012 241 11spring washer  1  
14 N 011 525 13washer  1  
15 N 012 108 2serrated lock washer  1  
16 N 011 008 8hexagon nut  1  
17 N 010 233 6hexagon-head bolt  1  
  M 8 X 28    
18 477 711 205 Dgearshift lever  1  
19 477 711 217vibration damper  1  
20 477 711 219vibration damper  1  
21 944 424 229 00bearing bracket  1  
22 944 424 231 01bearing shell  1  
23 N 012 108 2serrated lock washer  2  
  
Pos__Part_Number__DescriptionRemarkQty.Model
24 N 010 237 6hexagon-head bolt  2  
  M 8 X 12    
25 N 011 525 13washer  2  
26 477 711 239sound absorber  1  
27 900 028 005 02spring washer  1  
29 N 012 437 1lock washer  1  
30 477 711 269retainer spring  1  
31 477 711 271 Abellows  1  
(31A) 477 711 252boot  1 M 426
32 477 711 285protective tube  1  
33 477 711 289knob  1  
  4-speed    


Porsche 944 8Mail.de Fanpage

Porsche 944 Home


FreeCounter by http://www.eurocounter.com