Porsche 924 Pop-up Kopflight Teile

Pop Up Kopflight

  
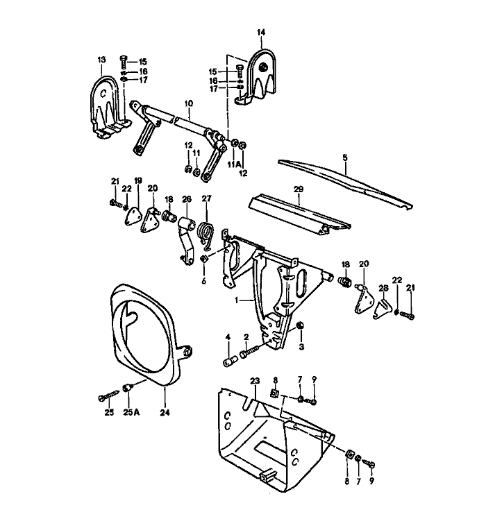
Pos__Part_Number__DescriptionRemarkQty.Model
  pop-up headlight    
1 944 750 605 00swivel frame Left 1  
(1) 944 750 606 00swivel frame Right 1  
2 N 010 221 3hexagon-head bolt   2  
  M 6 X 35      
3 900 076 010 02hexagon nut   2  
  M 6      
4 914 504 319 00grommet   2  
5 477 805 611housing cover Left 1  
(5) 477 805 612housing cover Right 1  
6 N 015 422 2speed nut   8  
  B 4,2 X 17      
6 999 507 252 02nut   8  
  B 3,9 X 16,5      
7 900 151 028 02washer   4  
  4,1      
8 N 015 438 1speed nut   10  
  B 3,5 X 16,5      
9 N 014 086 4tapping Schraube   10  
  B 3,5 X 9,5    
10 477 805 615control shaft   1 924
11 N 011 525 13washer   3  
11A 477 805 695washer   1  
12 N 012 436 2lock washer   3  
  6      
13 477 805 617bearing bracket   1  
14 477 805 622bearing bracket   1  
15 N 010 215 13hexagon-head bolt   4  
  M 6 X 15      
16 N 012 105 3serrated lock washer   4  
  A 6,4    
  
Pos__Part_Number__DescriptionRemarkQty.Model
17 N 011 524 7washer  4  
  A 6,4    
18 477 805 623bush  4  
19 914 750 169 10plate  4  
20 914 750 271 10bearing bracket  4  
21 N 014 750 3pan-head Schraube  12  
  M 6 X 10    
22 N 012 105 3serrated lock washer  12  
  A 6,4    
23 944 750 631 00housing  1  
(23) 944 750 632 00housing  1  
24 477 805 633retaining ring  1  
(24) 477 805 634retaining ring  1  
25 N 043 979 2tapping Schraube  2  
  BZ 4,2 X 45    
25A 477 857 173clip  2  
26 477 805 651lever  2  
27 477 805 661spring  1  
(27) 477 805 662spring  1  
28 477 805 663desk pad  X  
29 477 853 363cover strip  1  
(29) 477 853 364cover strip  1  


Porsche 944 8Mail.de Fanpage

Porsche 944 Home


FreeCounter by http://www.eurocounter.com