Porsche 924 Heating Teile

Heating

  
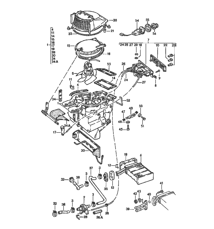
Pos__Part_Number__DescriptionRemarkQty.Model
  heating    
  ventilation    
  heat exchanger    
1 477 819 014flap control box  1  
2 477 819 017heater valve  1  
3 999 512 346 00hose clamp  5  
  LC 16-25    
4 321 819 019gasket  2  
5 321 819 021blower motor  1  
6 477 819 030heat exchanger  1  
7 477 819 021 Acontrol switch  1 (J)
7 477 819 021 Bcontrol switch  1 (USA)(CDN)
-999 920 006 07clamp  2  
-477 819 057support  1  
8 477 819 789speed nut  2  
  16 X 12,2    
9 N 014 100 1tapping Schraube  2  
  B 4,8 X 25    
10 477 819 043 Bcover  1 924 (J)
  F >>92483 30176    
10 477 819 043 Bcover  1 924 (J)
  F 92483 30177>>    
(10) 477 819 043 Acover  1 924
  F >>92482 03175   (USA)(CDN)
(10) 477 819 043 Ccover  1 924
  F 92482 03176>>   (USA)(CDN)
11 321 819 053clamp  2  
12 321 819 059clamp  7  
13 477 819 065damping piece  1  
14 321 819 089gasket  2  
15 321 819 107flap  1  
  
Pos__Part_Number__DescriptionRemarkQty.Model
16 321 819 109gasket  1  
17 321 819 123lever  1  
  for flap    
18 477 819 139cup spring  2  
19 477 819 347lid  1  
20 477 819 245cover  1  
21 477 819 253grommet  3  
22 477 819 319knob  1  
  centre    
23 477 819 319 Aknob  2  
24 477 819 279traction  1  
  footwell flap    
25 477 819 341traction  1  
  valve    
26 477 819 849grommet  1  
27 477 819 325traction  1  
  for flap    
28 477 819 343spring clamp  3  
28 900 116 003 02circlip  2  
  4    
30 321 819 361control flap  1  
32 999 512 272 02hose clamp  1  
  LA 25X40    
33 000 043 172 00sealing cord  *  
34 321 819 645bearing clip  1  
34A 477 819 345sealing strip  1  
35 823 819 699 Adrain bush  1  
  heater pipeline    
36 477 819 723hose  1  
37 477 819 725hose  1  
38 N 020 269 1water hose  * 924
  
Pos__Part_Number__DescriptionRemarkQty.Model
39 477 819 869connecting flange for heat exchanger  1  
40 021 101 173sealing ring  2  
41 N 010 296 2hexagon-head bolt M 5 X 18  3  
42 N 011 005 14hexagon nut M 5  3  
43 N 012 225 2spring washer A 5  3  
45 N 013 968 7tapping Schraube B 4,8 X 16  2  
46 N 012 104 2serrated lock washer A 5,3  2  
47 999 591 722 02speed nut B 4,8 X 19  2  
48 477 857 195bracket  1  
50 N 011 524 7washer A 6,4  1  
51 N 014 140 5oval-head Schraube AM 6 X 15  1  
52 477 857 809clamp  1  
53 477 857 887gasket F >>92482 01329 F >>92483 30100  1 924
(53) 477 857 887 Agasket F 92482 01330>> F 92483 30101>>  1  


Porsche 944 8Mail.de Fanpage

Porsche 944 Home


FreeCounter by http://www.eurocounter.com