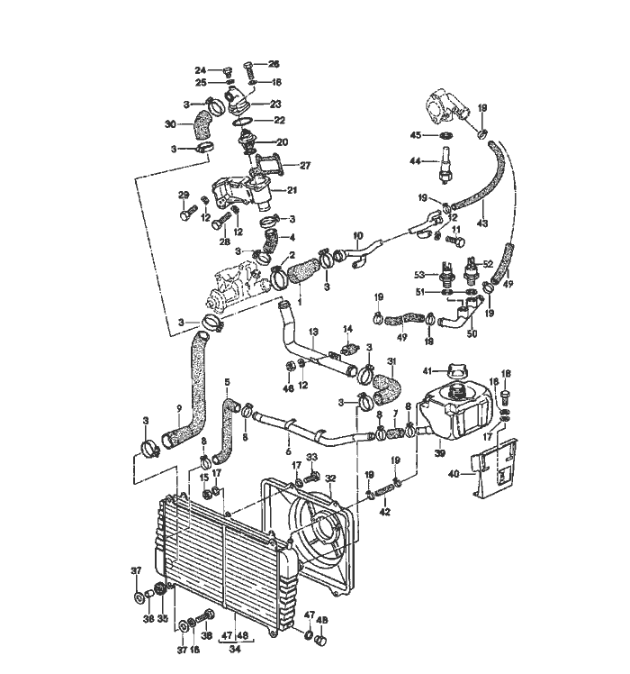
Porsche 924 Wasser Kühlung Teile

Wasser Kühlung

  
Pos__Part_Number__DescriptionRemarkQty.Model
  water cooling   TURBO/GT
1 046 121 051water hose  1  
2 999 512 348 02hose clamp  1  
  40 -60    
3 N 024 516 3hose clamp  9  
  30 -45    
4 046 121 053water hose  1  
5 931 106 267 01water hose  1  
6 931 106 263 01water tube  1  
-999 238 001 40water hose  *  
  20 X 27    
7 -150 MM  1  
8 999 512 252 02hose clamp  4  
  23 -35    
9 046 121 061water hose  1  
10 931 106 052 00water tube  1  
11 900 075 087 02hexagon-head bolt  2  
  M 8 X 16    
12 900 027 015 02lock ring  6  
  B 8    
13 931 106 051 04water tube  1  
14 931 106 163 00rubber mounting  1  
15 900 076 010 02hexagon nut  8  
  M 6    
16 N 012 226 5spring washer  8  
  B 6    
17 N 011 524 7washer  10  
  A 6,4    
18 N 010 215 13hexagon-head bolt  3  
  M 6 X 15    
19 999 512 554 00hose clamp  4  
  12 -20    
  
Pos__Part_Number__DescriptionRemarkQty.Model
20 059 121 113 Athermostat  1  
  87 degree c    
21 048 121 117housing  1  
22 * 038 121 119 Bsealing ring  1  
23 931 106 155 00lid  1  
24 931 106 156 00Schraube plug  1  
25 N 013 830 7sealing ring  1  
  A 8 X 12    
26 N 010 217 9hexagon-head bolt  2  
  M 6 X 20    
27 * 048 121 127 Agasket  1  
28 N 010 335 5hexagon-head bolt  2  
  M 8 X 35    
29 900 075 029 09hexagon-head bolt  2  
  M 8 X 25    
30 931 106 159 00hose elbow  1  
31 931 106 157 00hose elbow  1  
32 477 121 207 Cfan cowl  1  
32 477 121 207 Efan cowl  1  
  with    
  air conditioner    
33 N 010 210 7hexagon-head bolt  4  
  M 6 X 12    
34 477 121 251 Aradiator  1  
35 056 129 669 Bgrommet  4  
36 052 109 135spacer sleeve  4  
37 N 011 612 3washer  8  
  R 7    
38 N 010 218 6hexagon-head bolt  4  
  M 6 X 25    
39 931 106 265 02expansion tank  1  
40 477 809 853bracket  1  
  
Pos__Part_Number__DescriptionRemarkQty.Model
41 171 121 321 Blid  1  
-000 043 205 14hose  1  
43 810 819 371 Gwater hose  1  
44 928 605 101 00temperature time switch  1  
45 900 123 007 30sealing ring A 14 X 18  1  
46 N 011 008 8hexagon nut M 8  1  
47 900 123 050 20sealing ring A 8 X 11,5  1  
48 N 016 158 1Schraube plug AM 8 X 1  1  
49 047 121 621 Awater hose 75 MM shorten 811  
50 047 121 167 Bconnecting piece 811  
51 N 013 808 3sealing ring A 10 X 16 812  
52 047 131 851 Dtemperature switch 811  
53 058 131 851 Athermo valve 811  


Porsche 944 8Mail.de Fanpage

Porsche 944 Home


FreeCounter by http://www.eurocounter.com