Porsche 924 Side Section Teile
|

|
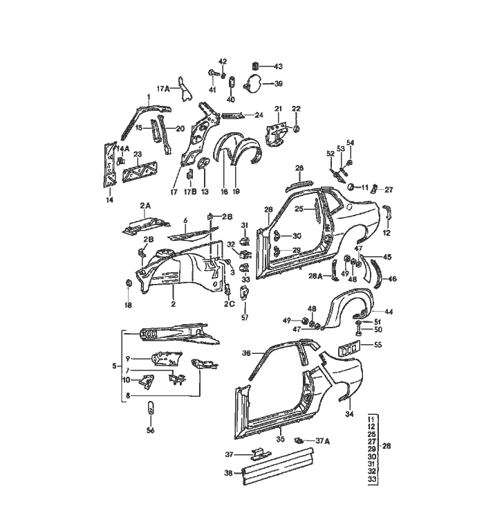
| Pos | __Part_Number__ | Description | Remark | Qty. | Model | | (5) | 477 809 111 Q | side member | Left |
1 |
|
| | | F >>92CN4 02197 | |
|
924(J) |
| | | F >>92CN4 50831 | N) |
|
924 (USA)(CD |
| | | F >>93CN1 00305 | |
|
TURBO (J) |
| | | F >>93CN1 50331 | CDN) |
|
TURBO (USA)( |
| (5) | 477 809 111 R | side member | Left |
1 |
|
| | | F 92CN4 02198>> | |
|
924 (J) |
| | | F 92CN4 50832>> | N) |
|
924 (USA)(CD |
| | | F 93CN1 00306>> | |
|
TURBO (J) |
| | | F 93CN1 50332>> | CDN) |
|
TURBO (USA)( |
| (5) | 477 809 112 Q | side member | Right |
1 |
|
| | | F >>92CN4 02197 | |
|
924 (J) |
| | | F >>92CN4 50831 | N) |
|
924 (USA)(CD |
| | | F >>93CN1 00305 | |
|
TURBO (J) |
| | | F >>93CN1 50331 | CDN) |
|
TURBO (USA)( |
| (5) | 477 809 112 R | side member | Right |
1 |
|
| | | F 92CN4 02198>> | |
|
924 (J) |
| | | F 92CN4 50832>> | N) |
|
924 (USA)(CD |
| | | F 93CN1 00306>> | |
|
TURBO (J) |
| | | F 93CN1 50332>> | CDN) |
|
TURBO (USA)( |
| 6 | 477 809 119 | side member | Left Hand Drive |
1 |
924 |
| | | upper left | |
|
|
| (6) | 477 809 119 A | side member | Left Hand Drive |
1 |
TURBO,GT |
| | | upper left | |
|
|
| (6) | 477 809 120 | side member | Left Hand Drive |
1 |
|
| | | upper right | | | | | 7 | 477 809 151 | bearing bracket | |
2 |
|
| 8 | 951 501 165 00 | closing element | Left |
1 |
|
| (8) | 951 501 166 00 | closing element | Right |
1 |
|
| (9) | 944 501 081 00 | filler plate | Left |
1 |
|
| | | side member | |
|
|
| (9) | 944 501 082 00 | filler plate | Right |
1 |
|
| | | side member | |
|
|
| 10 | 477 809 221 A | separator | Left |
1 |
924,TURBO |
| (10) | 477 809 268 B | separator | Right |
1 |
924,TURBO |
| - | 477 809 525 | towing lug | Right |
1 |
924,TURBO |
| 11 | 477 809 040 | pot | |
1 |
|
| | | tank filler neck | | | |
| Pos | __Part_Number__ | Description | Remark | Qty. | Model | | (28) | 477 809 602 BH | side section | Right |
1 |
(USA),(CDN) |
| | | outer | |
|
|
| | | see workshop manual | |
|
|
| 29 | 477 809 619 | mounting plate | Left |
1 |
|
| (29) | 477 809 620 | mounting plate | Right |
1 |
|
| 30 | 477 809 653 | mounting plate | |
2 |
|
| 31 | 477 809 655 | hinge reinforcement | |
2 |
|
| | | upper | |
|
|
| 32 | 477 809 625 | reinforcement | |
2 |
|
| 33 | 477 809 621 | hinge reinforcement | Left |
1 |
|
| | | lower | |
|
|
| (33) | 477 809 622 | hinge reinforcement | Right |
1 |
|
| | | lower | |
|
|
| 34 | 477 809 843 F | sub-part | Left |
1 |
924,TURBO |
| | | wing | |
|
(J) |
| (34) | 477 809 843 G | sub-part | Left |
1 |
924,TURBO |
| | | wing | |
|
(USA)(CDN) |
| (34) | 477 809 844 F | sub-part | Right |
1 |
924,TURBO |
| | | wing | |
|
(J) |
| (34) | 477 809 844 G | sub-part | Right |
1 |
924,TURBO |
| | | wing | |
|
(USA)(CDN) |
| 35 | 477 809 847 B | side member section | Left |
1 |
924,TURBO |
| (35) | 477 809 848 B | side member section | Right |
1 |
924,TURBO |
| 36 | 477 809 849 A | sub-part | Left |
1 |
924,TURBO |
| | | roof pillar | |
|
|
| | | F >>92CN4 02197 | |
|
924 (J) |
| | | F >>92CN4 50831 | N) |
|
924 (USA)(CD |
| | | F >>93CN1 00305 | |
|
TURBO (J) |
| | | F >>93CN1 50331 | CDN) |
|
TURBO (USA)( |
| 36 | 477 809 849 A | sub-part | Left |
1 |
924,TURBO |
| | | roof pillar | |
|
|
| | | F 92CN4 02198>> | |
|
924 (J) |
| | | F 92CN4 50832>> | N) |
|
924 (USA)(CD |
| | | F 93CN1 00306>> | |
|
TURBO (J) |
| | | F 93CN1 50332>> | CDN) |
|
TURBO (USA)( |
| (36) | 477 809 850 A | sub-part | Right |
1 |
924,TURBO |
| | | roof pillar | |
|
|
|