Porsche 924S Kurbelgehäuse Teile

Kurbelgehäuse

  
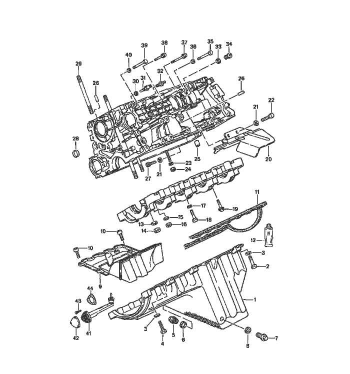
Pos__Part_Number__DescriptionRemarkQty.Model
  crankcase    
  mounting parts    
  M 43H 01920 >>   M44.07
  M 43H 60385 >>   M44.08
1 944 101 201 11oil pan  1  
  see tpi    
  GR.1 NR. 21    
  M >> 43H 05637   M44.07
  M >> 43H 31343   M44.08
1 944 101 201 14oil pan  1  
  M 43H 05638 >>   M44.07
  M 43H 31344 >>   M44.08
2 N 040 259 1hexagon-head bolt  4  
  M 6 X 50    
3 N 011 524 7washer  22  
4 900 075 017 02hexagon-head bolt  18  
  M 6 X 25    
5 944 107 197 01Schraube plug  1  
6 900 123 118 30sealing ring  1  
7 N 016 164 1Schraube plug  1  
8 900 123 049 30sealing ring  1  
9 944 107 389 02insert for oil sump  1  
10 900 119 001 02pan-head Schraube  7  
  M 5 X 12    
11 944 101 205 02oil sump gasket  1  
12 000 043 019 01sealing compound  X  
  SILASTIK 730 RTV 125 ML    
13 944 104 229 00washer  10  
14 N 011 020 8hexagon nut  10  
  M 12 X 1,5    
15 928 101 303 00washer  7  
16 N 011 010 13hexagon nut  7  
  M 10    
17 900 025 007 02washer  7  
  
Pos__Part_Number__DescriptionRemarkQty.Model
18 900 074 040 02hexagon-head bolt  2  
  M 8 X 50    
19 900 075 345 02hexagon-head bolt  5  
  M 6 X 35    
20 944 101 033 00heat shield  1  
21 900 025 007 02washer  2  
22 900 075 085 02hexagon-head bolt  2  
23 N 011 524 7washer  1  
24 900 076 010 02hexagon nut  1  
25 928 101 195 03fitting bushing  1  
26 999 012 034 00straight pin  4  
  8 X 12    
27 900 075 087 02hexagon-head bolt  1  
-900 123 105 30sealing ring  1  
28 N 011 919 1lid  2  
29 944 101 197 00stud  10  
30 900 123 101 30sealing ring  1  
31 944 606 125 00temperature sensor  1  
32 944 606 201 00temperature sensor  1  
33 900 123 007 30sealing ring  1  
34 900 219 002 02Schraube plug  1  
35 900 074 326 08hexagon-head bolt  4  
  M 8 X 58    
36 999 025 141 02washer  4  
37 900 075 344 02hexagon-head bolt  16  
  M 6 X 50 Z1    
38 900 075 349 02hexagon-head bolt  4  
  M 6 X 42 Z1    
39 900 074 139 02hexagon-head bolt  8  
  M 8 X 55    
  
Pos__Part_Number__DescriptionRemarkQty.Model
39 N 010 361 4hexagon-head bolt M 8 X 65  4 M 657
40 900 025 007 02washer  8  
41 944 613 150 00sender  1  
42 944 101 329 01lid  1  
43 999 074 035 02hexagon-head bolt M 5 X 20  3  
44 A 944 101 233 00gasket  1  
44 944 101 233 02gasket without asbestos  1  
-999 062 044 02stud  3  


Porsche 944 8Mail.de Fanpage

Porsche 944 Home


FreeCounter by http://www.eurocounter.com