Porsche 924S Kurbelwelle Teile

Kurbelwelle

  
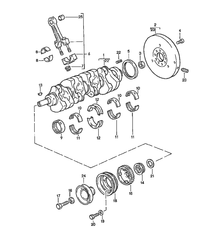
Pos__Part_Number__DescriptionRemarkQty.Model
  crankshaft    
  connecting rod    
1 944 102 015 13crankshaft  1  
2 944 102 051 01flywheel  1 M44.07/09
2 944 102 053 02flywheel  1 M44.08/10
3 931 102 111 00deep-groove ball bearing  1  
4 930 102 206 00pan-head Schraube  9  
5 999 113 264 40radial sealing ring  1  
6 944 103 008 02connecting rod  4  
7 928 103 172 02connecting rod nut  8  
8 928 103 143 02conrod bearing shell  8  
8 928 103 143 52conrod bearing shell  X  
  oversize 0.25 mm    
8 928 103 143 57conrod bearing shell  X  
  oversize 0.50 mm    
9 928 101 117 08main bearing bush i  1  
9 928 101 117 58main bearing bush i  X  
  oversize 0.25 mm    
9 928 101 117 68main bearing bush i  X  
  undersize 0.50 mm    
10 928 101 115 02main bearing shell  3  
 002    
10 928 101 115 50main bearing shell  X  
  undersize 0.25 mm    
10 928 101 115 60main bearing shell  X  
  undersize 0.50 mm    
11 928 101 115 03main bearing shell  3  
 002    
11 928 101 115 51main bearing shell  X  
  undersize 0.25 mm    
  
Pos__Part_Number__DescriptionRemarkQty.Model
11 928 101 115 61main bearing shell  X  
  undersize 0.50 mm    
12 944 101 139 00thrust bearing  2  
 002    
12 928 101 133 53thrust bearing  X  
  undersize 0.25 mm    
12 928 101 133 63thrust bearing  X  
  undersize 0.50 mm    
13 900 117 036 00feather key  1  
  5 X 5 X 22    
14 944 105 125 02gear wheel  1  
  camshaft    
  driving mechanism    
15 944 102 209 11gear wheel  1  
  balance shaft    
  driving mechanism    
16 944 102 210 02washer  1  
17 900 082 085 02hexagon-head bolt  1  
  M 16 X 1,5 X 60  1  
18 944 102 116 12pulley  1  
19 N 011 524 7washer  4  
  M >> 43H 11260   M44.07
  M >> 43H 62893   M44.08
19 900 031 011 02washer  1  
  M 43H 11261 >>   M44.07/09
  M 43H 62894 >>   M44.08/10
20 900 075 057 02hexagon-head bolt  4  
  M >> 43H 11260   M44.07
  M >> 43H 62893   M44.08
20 900 067 279 08pan-head Schraube  1  
  M 43H 11261 >>   M44.07/09
  M 43H 62894 >>   M44.08/10
21 900 234 127 00support washer  1  
22 900 095 031 00tensioning sleeve  1  
  6 X 16    
23 477 105 276threaded pin  3  
  
Pos__Part_Number__DescriptionRemarkQty.Model
24 944 102 214 03pulley  1 M 657
25 944 103 133 02piston pin bush  1  


Porsche 944 8Mail.de Fanpage

Porsche 944 Home


FreeCounter by http://www.eurocounter.com