Porsche 924S Zylinder Kopf Teile

Zylinder Kopf

  
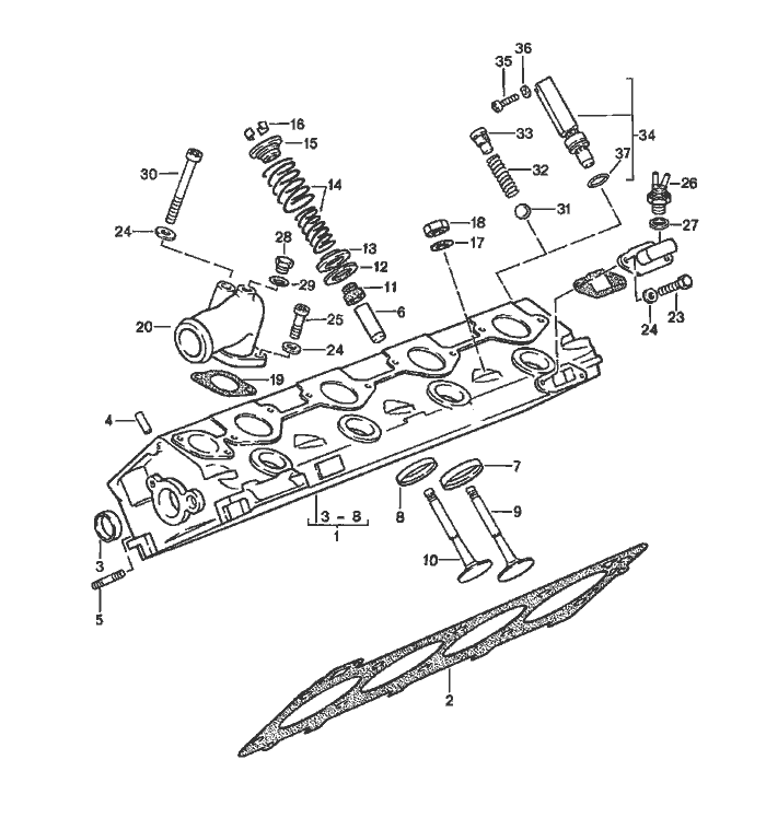
Pos__Part_Number__DescriptionRemarkQty.Model
  cylinder head    
1 944 104 033 06cylinder head -87 1  
1 944 104 033 08cylinder head 88 1  
2 951 104 374 02cylinder head gasket  1  
(2) 951 104 374 50cylinder head gasket  1  
  for    
  recond. cylinder heads    
3 900 036 005 02lid  2  
4 900 302 019 00straight pin  2  
5 999 062 044 02stud  8  
  M 8 X 30    
6 944 104 328 51valve guide  8  
  1st oversize    
7 944 104 331 51valve seat ring  4  
  oversize 0.25 mm    
  intake    
8 944 104 333 50valve seat ring  4  
  oversize 0.25 mm    
  exhaust    
9 928 105 409 02intake valve  4  
9 928 105 409 02intake valve  4  
10 928 105 410 04exhaust valve  4  
-000 043 204 48sleeve  8  
  for    
  valve stem seal    
11 W 928 104 193 12valve stem seal  8  
12 928 105 468 03washer  X  
  0,5    
(12) 928 105 470 03washer  X  
  1,0    
13 928 105 469 06washer  8  
14 928 105 905 09set of valve springs  8  
15 928 105 449 04concave washer  8  
  
Pos__Part_Number__DescriptionRemarkQty.Model
16 901 105 417 00collet  16  
17 944 104 229 00washer  10  
18 999 076 043 02hexagon nut  10  
  M 12 X 1,5    
19 944 104 311 01gasket  1  
20 944 104 315 04cooling water socket  1  
21 944 104 317 05adapter  1  
22 928 106 197 04gasket  1  
23 900 075 079 02hexagon-head bolt  2  
  M 8 X 20    
24 900 025 007 02washer  4  
  A 8,4    
25 N 014 725 2pan-head Schraube  2  
  M 8 X 25    
26 058 131 851 Athermo valve  1  
27 N 013 808 3sealing ring  1  
  A 10 X 16    
28 931 106 156 00Schraube plug  1  
29 N 013 830 7sealing ring  1  
  A 8 X 12    
30 N 044 732 1pan-head Schraube  1  
  M 8 X 75    
31 N 025 669 2ball  1  
32 928 104 129 00compression spring  1  
33 951 104 229 00guide piece  1 M44.07/08
33 951 104 229 00guide piece  1 M44.09/10
  for cylinder head    
  944.104.033.08    
34 944 107 239 01pressure relief valve  1  
35 N 014 740 2pan-head Schraube  1  
36 N 013 841 2sealing ring  1  
  
Pos__Part_Number__DescriptionRemarkQty.Model
37 999 707 078 40o-ring   1  
38 928 106 197 01gasket   1  


Porsche 944 8Mail.de Fanpage

Porsche 944 Home


FreeCounter by http://www.eurocounter.com