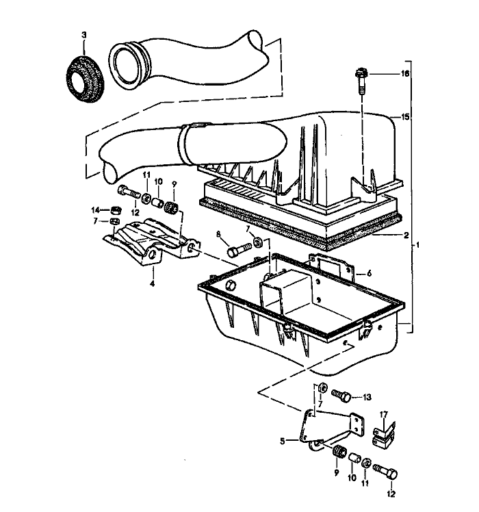
Porsche 924S Luft Cleaner System Teile

Luft Cleaner System

  
Pos__Part_Number__DescriptionRemarkQty.Model
  air cleaner system     
1 944 110 012 06air cleaner   1  
2 944 110 186 02air cleaner cartridge   1  
3 944 110 195 00bellows   1  
4 944 110 067 00support Vorder 1  
5 944 110 155 01support Hinter 1  
6 944 110 353 00gasket   1  
7 N 011 524 7washer   11  
  A 6,4     
8 900 074 151 02hexagon-head bolt   X  
  M 6 X 38     
9 056 129 669 Bgrommet   4  
10 052 109 135spacer sleeve   4  
11 N 011 612 3washer   4  
  6,6     
12 900 075 014 02hexagon-head bolt   4  
  M 6 X 18     
13 N 010 210 13hexagon-head bolt   4  
  M 6 X 10     
14 900 076 010 02hexagon nut   3  
  M 6     
15 944 110 221 00air cleaner cover   1  
  without     
  Schraube     
16 944 110 225 00combination Schraube   5  
17 944 110 255 00support   1  


Porsche 944 8Mail.de Fanpage

Porsche 944 Home


FreeCounter by http://www.eurocounter.com