Porsche 924S Getriebe Case Teile

Getriebe Case

  
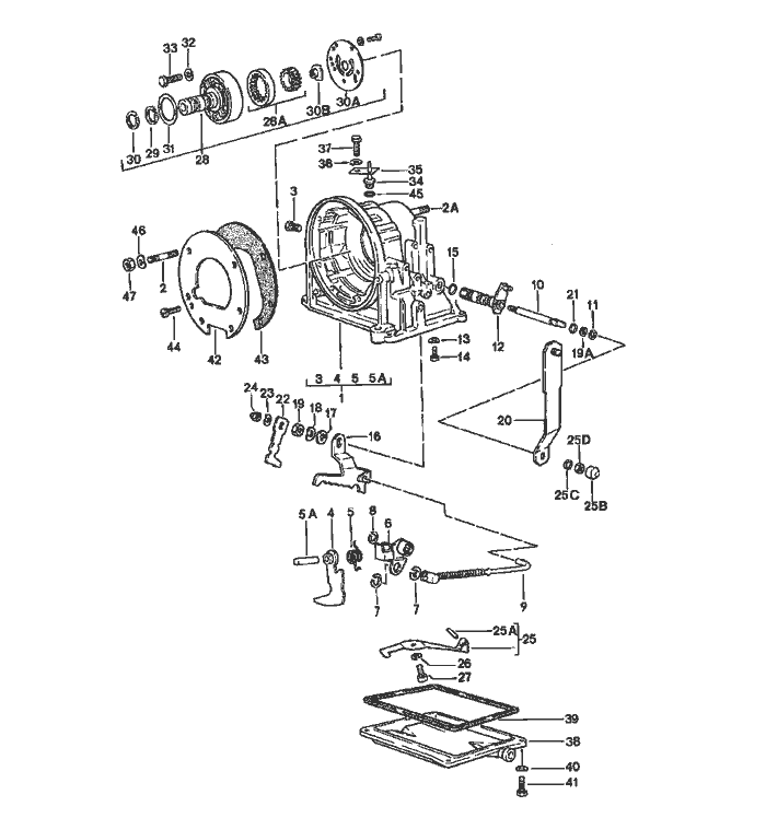
Pos__Part_Number__DescriptionRemarkQty.Model
  transmission case    
  automatic transmission    
1 010 321 101 Gtransmission case  1  
2 N 900 044 02stud  4  
  AM 8A X 56    
2A N 014 523 2stud  2  
  AM 10A X 38    
3 003 507 133 ASchraube plug  3  
  M 10 X 1    
4 010 321 117 Blever  1  
  for    
  parking lock    
5 010 321 121 Atorsion spring  1  
5A 010 321 123bolt  1  
6 010 321 135engaging lever  1  
  for    
  parking lock    
7 N 012 436 2lock washer  2  
  G >>RCB 17 11 5    
7 010 321 140lock washer  1  
  G RCB 18 11 5>>    
8 N 012 438 1lock washer  1  
9 010 321 153 Aoperating rod  1  
  G >>RCB 17 11 5    
9 010 321 153 Coperating rod  1  
  G RCB 18 11 5>>    
10 010 321 209 Cshaft  1  
11 N 023 641 1circlip  1  
  A 10 X 1    
12 087 321 171 Clever  1  
  for cable control    
13 N 012 226 5spring washer  1  
  B 6    
14 N 010 224 1hexagon-head bolt  1  
  M 6 X 3,5    
  
Pos__Part_Number__DescriptionRemarkQty.Model
15 N 028 201 2round seal  1  
  14 X 2,5    
16 010 321 193 Blocking segment  1  
17 211 611 179washer  1  
  A 16    
18 N 012 238 5spring washer  1  
  B 16    
19 N 011 164 2hexagon nut  1  
  M 16 X 1,5    
19A 010 321 180 Bsupport washer  1  
20 087 321 201 Dlever  1  
  for cable control    
21 010 321 182round seal  1  
22 010 321 215 Elever  1  
  for    
  kickdown control    
23 N 012 228 3spring washer  1  
  B 8    
24 N 011 008 8hexagon nut  1  
  M 8    
25 010 321 221leaf spring  1  
25A N 013 325 1tensioning sleeve  1  
  6 X 22    
25B 010 321 227protection cap  1  
25C 010 321 229spacer  1  
25D N 011 137 1hexagon nut  1  
  M 10 X 1    
26 900 027 015 02lock ring  1  
  B 8    
27 N 010 239 11hexagon-head bolt  1  
  M 8 X 18    
28 010 321 241 Foil pump  1  
  
Pos__Part_Number__DescriptionRemarkQty.Model
28A 003 321 263gear set  1  
  for    
  oil pump    
29 003 321 261piston ring  2  
30 010 321 261piston ring  2  
30A 010 321 279plate  1  
30B 003 321 273driver  1  
31 010 323 161 Athrust washer  1  
32 N 012 006 4lock ring  5  
  B 6    
33 N 010 347 3hexagon-head bolt  5  
  M 6 X 35    
34 477 321 303 Alid  1  
35 011 321 307clip  1  
36 N 012 226 5spring washer  1  
  B 6    
37 999 072 005 09hexagon-head bolt  1  
  M 6 X 12    
38 010 321 359 Foil pan  1  
39 010 321 371 Bgasket  1  
40 N 012 038 1lock ring  4  
  A 8    
41 N 010 240 16hexagon-head bolt  4  
  M 8 X 20    
42 010 321 383 Bintermediate plate  1  
43 010 321 385 Bgasket  2  
44 900 014 004 02pan-head Schraube  1  
  AM 5 X 15    
45 003 321 419round seal  1  
  24,5    
46 N 012 228 3spring washer  4  
  B 8    
  
Pos__Part_Number__DescriptionRemarkQty.Model
47 N 011 008 8hexagon nut M 8  4  


Porsche 944 8Mail.de Fanpage

Porsche 944 Home


FreeCounter by http://www.eurocounter.com