Porsche 924S Shift Mechanism Teile

Shift Mechanism

  
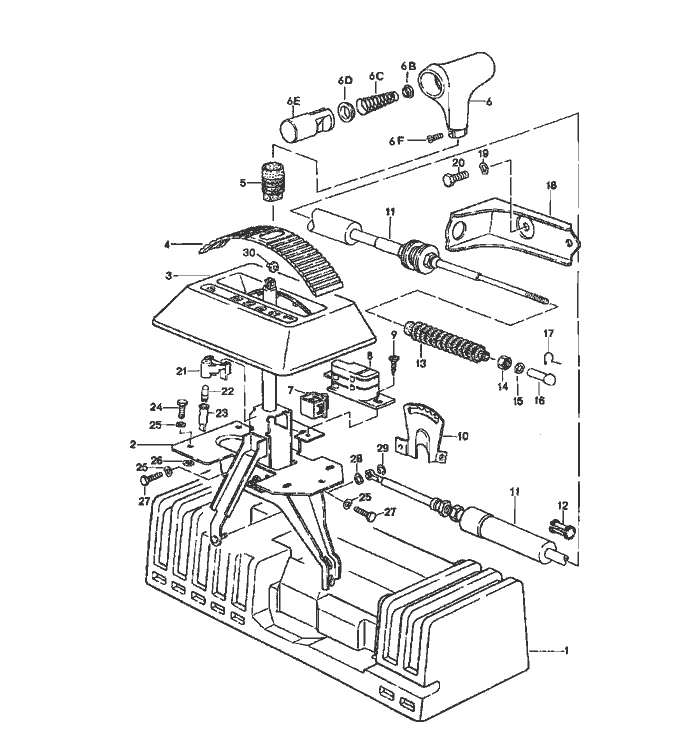
Pos__Part_Number__DescriptionRemarkQty.Model
  shift mechanism    
  for    
  automatic transmission    
1 944 426 182 00sound absorber  1  
2 944 426 025 02shift mechanism  1  
3 477 713 111 Acover  1  
 1DBblack    
 4RBbrown    
4 477 713 277cover strip  1  
5 944 426 279 00cover  1  
 01Cblack    
 89Sbrown    
6 928 426 077 00selector knob  1  
 1AJblack    
 4RBbrown    
6B 922 424 203 00concave washer  1  
6C 922 424 176 03compression spring  1  
6D 922 424 201 00concave washer  1  
6E 928 426 174 01key  1  
6F N 033 165 1countersunk-head Schraube  2  
  M 4 X 8    
7 171 927 145 Acontacts  1  
8 311 927 147 Bsupport for contact  1  
9 N 013 968 1tapping Schraube  2  
  B 4,8 X 13    
10 944 426 109 01locking segment  1  
11 477 713 265 Ccable  1  
12 431 609 781breather hose  2  
13 477 609 715sealing sleeve  1  
  
Pos__Part_Number__DescriptionRemarkQty.Model
14 N 011 005 14hexagon nut  1  
  M 5    
15 N 011 665 3washer  1  
  B 5,3    
16 911 423 147 00ball socket  1  
17 900 169 014 02securing clip  1  
18 477 713 281 Aretaining bracket  1  
19 900 027 015 02lock ring  2  
  B 8    
20 900 075 085 02hexagon-head bolt  2  
  M 8 X 20    
21 321 713 855 Abulb holder  1  
22 900 631 132 90bulb  1  
23 111 919 243bulb socket  1  
24 900 378 030 09hexagon-head bolt  3  
  M 6 X 20    
25 N 012 226 5spring washer  5  
26 N 900 067 01washer  3  
  6,4    
27 N 010 215 13hexagon-head bolt  2  
  M 6 X 15    
29 N 012 325 1lock washer  1  
30 321 713 137roller  1  


Porsche 944 8Mail.de Fanpage

Porsche 944 Home


FreeCounter by http://www.eurocounter.com