Porsche 924S Outer Door Handle Teile

Outer Door Handle

  
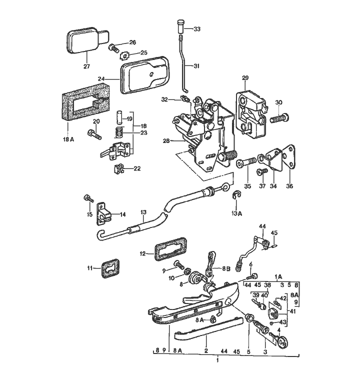
Pos__Part_Number__DescriptionRemarkQty.Model
  outer door handle     
  door lock     
1A 944 538 905 00outer door handle Left 1  
  with lock cylinder     
  and two spare keys     
(1A) 944 538 906 00outer door handle Right 1  
  with lock cylinder     
  and two spare keys     
2 823 837 239cover   2  
3 A 944 538 903 00lock cylinder  86 2  
  and two spare keys     
  w/o stipulated lock number     
3 944 538 903 00lock cylinder   2  
  and two spare keys     
  w/o stipulated lock number     
(3) 944 538 903 01lock cylinder   2  
  and two spare keys     
  with stipulated lock number     
  grease     
  for lock cylinder     
  see group     
  0/05/00     
4 A 477 837 219blank key   2  
5 111 837 227 Bsealing ring   2  
6 803 837 951self-lock. fillister Schraube   2  
8 477 837 497driver   2  
8A 999 168 004 40ball socket   2  
8B 477 837 505 Aconnecting piece Left 1  
(8B) 477 837 506 Aconnecting piece Right 1  
9 N 033 165 1countersunk-head Schraube   2  
  AM 4 X 8     
10 N 012 116 1serrated lock washer   2  
  V 4,3     
11 867 837 209desk pad Vorder 2  
12 171 837 211 Adesk pad Hinter 2  
  
Pos__Part_Number__DescriptionRemarkQty.Model
13 477 837 017 Abowden cable  2  
13A 999 166 054 02sl-lock  2  
  3,2    
14 477 837 115 Asupport  2  
15 999 217 029 02hexagon-head bolt  4  
18 171 837 019inner door release Left1  
 041black    
 90Vbrown    
(18) 171 837 020inner door release Right1  
 041black    
 90Vbrown    
18A 477 831 304 Aseal  2  
19 N 013 666 1rivet  2  
  B 4 X 32    
20 999 217 029 02hexagon-head bolt  8  
22 477 837 521captive nut  8  
  M 6    
23 811 837 723spring  2  
24 171 837 235rosette  2  
 01Cblack    
 90Vbrown    
25 111 837 291cone washer  2  
26 N 014 216 1countersunk-head Schraube  2  
  AM 5 X 10    
27 311 837 247finger plate  2  
 01Cblack    
 90Vbrown    
28 928 537 053 07door lock Left Hand Drive \/ Left Side1  
  inner part    
  
Pos__Part_Number__DescriptionRemarkQty.Model
(28) 928 537 054 08door lock Left Hand Drive \/ Right Side1  
  inner part    
29 928 537 153 03door lock Left1  
  outer part    
(29) 928 537 154 03door lock Right1  
  outer part    
30 928 537 721 02oval-head Schraube  4  
  M 8 X 35    
31 477 837 183 Alocking rod  2  
32 477 837 187clip  2  
33 111 837 187 Bknob  2  
 043black    
34 928 537 133 02door lock striker  2  
35 928 537 131 03lock pin  2  
36 928 537 135 04desk pad  2  
37 900 249 022 02countersunk-head Schraube  4  
  M 8 X 16    
38 944 538 933 00key 871  
  with stipulated lock number    
  Information available    
39 944 538 331 00blank key  2  
40 944 538 431 00key cap 871  
41 944 538 041 00key lamp 871  
42 928 537 630 02bulb 871  
  E 5,5    
43 944 538 443 00crest 871  
44 944 537 261 00reverse lever Left1  
(44) 944 537 262 00reverse lever Right1  
45 N 023 323 2roll pin  2  


Porsche 944 8Mail.de Fanpage

Porsche 944 Home


FreeCounter by http://www.eurocounter.com