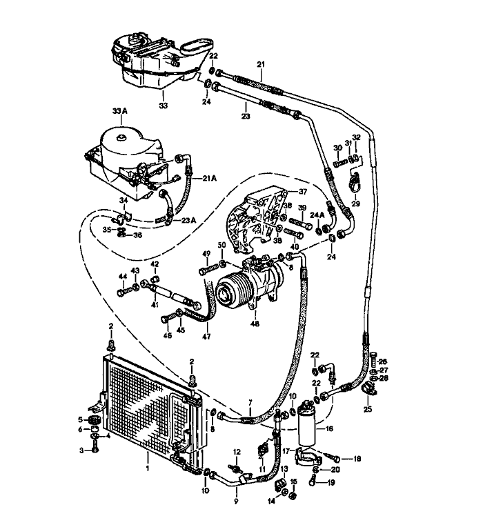
Porsche 924S Luft Conditioner Teile

Luft Conditioner

  
Pos__Part_Number__DescriptionRemarkQty.Model
  air conditioner   M 573
1 944 573 011 04condenser  1  
2 944 573 457 00rubber sleeve  2  
3 N 010 217 9hexagon-head bolt  2  
  M 6 X 20    
4 N 011 524 7washer  2  
  R 6,6    
5 056 129 669 Bgrommet  2  
6 052 109 135spacer sleeve  2  
7 944 573 097 06refrigerant line -87 1  
7 944 573 097 10refrigerant line 88 1  
8 999 707 250 40o-ring  2  
9 A 944 573 095 01refrigerant line  1  
9 944 573 095 07refrigerant line  1  
10 999 707 247 40o-ring  2  
11 959 613 137 00low pressure switch  1  
12 928 110 191 00bonded rubber buffer  1  
  M 6    
13 N 020 647 1clamp  1  
  RSGU 1100 23/15    
14 N 011 524 7washer  1  
  A 6,4    
15 900 076 010 02hexagon nut  1  
  M 6    
16 944 573 943 00desiccator  1  
17 944 573 081 00support  1  
18 N 013 884 5tapping Schraube  2  
  B 4,8 X 13    
19 N 010 264 4hexagon-head bolt  1  
  M 5 X 20    
  
Pos__Part_Number__DescriptionRemarkQty.Model
20 N 012 005 3lock ring   1  
  B 5     
21 944 573 093 07refrigerant line Left Hand Drive 1  
22 999 707 247 40o-ring   2  
23 944 573 091 04refrigerant line Left Hand Drive 1  
24 999 707 251 40o-ring Left Hand Drive 2  
25 999 511 066 02clamp   1  
  B 15 X 18     
26 N 010 215 13hexagon-head bolt   1  
  M 6 X 15     
27 N 012 006 4lock ring   1  
  B 6     
28 N 011 524 7washer   1  
  A 6,4     
29 999 511 136 02clamp Left Hand Drive 1  
  RSGU 18-25/15     
30 N 010 217 9hexagon-head bolt Left Hand Drive 1  
  M 6 X 20     
31 N 012 006 4lock ring Left Hand Drive 1  
  B 6     
32 N 011 524 7washer   1  
  B 6   1  
33 477 820 002 Aair conditioner Left Hand Drive 1  
35 N 012 006 4lock ring /RL  2  
  B 6     
37 944 126 123 06bracket   1  
-944 126 135 00sleeve   1  
38 N 011 527 12washer   4  
  A 10,5     
39 N 010 480 3hexagon-head bolt   3  
  M 10 X 80     
40 N 010 450 5hexagon-head bolt   1  
  
Pos__Part_Number__DescriptionRemarkQty.Model
45 900 025 008 09washer A 10,5  1  
46 N 040 125 1hexagon-head bolt M 10 X 1,25 X 30  1  
47 999 192 285 50poly-rib belt K 6 X 1000  1  
48 944 126 008 00compressor  1  
49 900 082 088 02hexagon-head bolt M 10 X 1,25 X 50  2 2  
(49) 900 074 139 02hexagon-head bolt M 8 X 55  1  
50 N 011 527 12washer A 10,5  2  
-900 074 139 02hexagon-head bolt M 8 X 55  2  


Porsche 944 8Mail.de Fanpage

Porsche 944 Home


FreeCounter by http://www.eurocounter.com