Porsche 924S Compressor Teile

Compressor

  
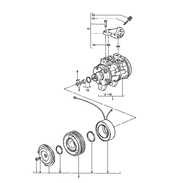
Pos__Part_Number__DescriptionRemarkQty.Model
  compressor   M 573
1 944 126 008 00compressor  1  
2 944 126 923 01clutch  1  
3 944 126 925 01solenoid coil  1  
4 477 298 841circlip  1  
  internal diameter    
  45,8 MM    
5 477 298 843circlip  1  
  internal diameter    
  37 MM    
6 900 027 015 02lock ring  1  
  B 8    
7 N 011 008 8hexagon nut  1  
  M 8    
8 944 126 905 00spring  1  
9 477 298 829spacer  X  
  0,1 MM    
(9) 477 298 829 Aspacer  X  
  0,2 MM    
(9) 477 298 829 Bspacer  X  
  0,5 MM    
(9) 477 298 829 Cspacer  X  
  0,8 MM    
(9) 477 298 829 Bspacer  X  
  1,0 MM    
10 930 126 921 00set of shaft seals  1  
11 944 126 940 00valve  1  
12 928 573 908 03valve insert  1  
13 928 573 909 02cap  1  
14 944 126 935 01o-ring  1  


Porsche 944 8Mail.de Fanpage

Porsche 944 Home


FreeCounter by http://www.eurocounter.com