Porsche 924S Heater Teile

Heater

  
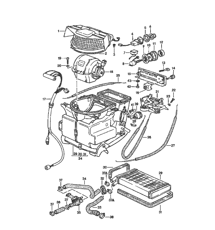
Pos__Part_Number__DescriptionRemarkQty.Model
  heater     
  blower     
  heat exchanger     
1 944 572 145 00cover Left Hand Drive 1  
-AMV 152 109 03sealing cord   X  
  9 MM $     
  roller     
  4,5 METER     
  740 MM   1  
3 477 819 253grommet   3  
7 477 959 531booster   1 M 573
8 477 959 530air-conditioning switch   1 M 573
9 477 959 527fastening washer   1 M 573
10 477 959 526spacer   1 M 573
11 477 959 528adjusting wheel   1 M 573
12 477 959 529knob   1 M 573
13 944 572 350 01knob   3  
14 944 572 349 00knob   1  
15 477 857 115cover   1  
16 321 959 511 Ablower switch   1  
17 477 971 281resistor   1  
18 321 820 015 Bblower   1  
19 900 143 046 02tapping Schraube   1  
  B 4,8 X 16     
20 N 011 692 3washer   1  
  B 5,1     
21 321 819 045 Ccontrol switch   1  
22 900 143 007 02tapping Schraube   2  
  B 4,2 X 13     
23 900 025 002 02washer   2  
  A 4,3     
(24) 944 573 023 00flap control box   1 M 573
  
Pos__Part_Number__DescriptionRemarkQty.Model
25 944 572 649 00bowden cable  1  
26 944 572 648 00bowden cable  1  
27 944 572 647 00bowden cable  1  
28 477 819 343spring clamp  1  
29 171 819 031 Dheat exchanger  1  
30 321 819 069 Brubber seal  1  
31 191 819 069gasket    
32 823 819 699 Adrain bush  1  
33 944 572 381 02hose  1  
34 944 572 383 01hose  1  
35 944 572 085 02valve  1  
36 944 572 385 01heater hose  1  
37 999 512 346 00hose clamp  X  
  LC 16-25    
37A 999 512 346 00hose clamp  2  
  SGT 16-25    
38 999 512 272 02hose clamp  X  
  LA 25-40    
39 944 573 053 00vacuum unit  1 M 573
40 999 507 243 02kronen-fix  3 M 573
41 928 574 465 02rubber washer  3 M 573
42 900 187 114 07tapping Schraube  2  
  B 2,9 X 13    
43 N 011 662 1washer  2  
  3,2    


Porsche 944 8Mail.de Fanpage

Porsche 944 Home


FreeCounter by http://www.eurocounter.com