Porsche 944 Getriebe Öl Cooler Teile

Getriebe Öl Cooler

  
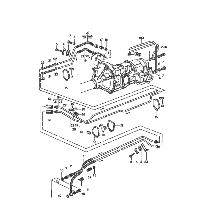
Pos__Part_Number__DescriptionRemarkQty.Model
  transmission oil cooler    
  automatic transmission    
1 944 307 010 02pressure line  1  
2 944 307 011 01return line  1  
3 999 511 121 40clip  3  
4 928 347 455 00shim  3  
5 N 010 220 3hexagon-head bolt  3  
  M 6 X 30    
6 900 123 043 30sealing ring  3  
  A 12 X 15,5    
7 999 134 018 02banjo bolt  1  
  A 6    
8 N 020 602 1pipe clamp  1  
  B 15    
9 N 900 450 01connection piece  1  
  ALL 10    
10 900 123 007 30sealing ring  3  
  A 14 X 18    
11 900 134 007 02banjo bolt  1  
  A 8    
12 477 209 169connecting piece  2  
13 477 723 567support  2  
14 944 307 190 00support  3  
15 999 512 350 02hose clamp  4  
  LA 80 -100    
16 087 409 057union  1  
17 087 409 057 Bunion  1  
18 010 409 563 Asealing ring  2  
  A 16 X 2,5    
19 944 307 004 03pressure line  1  
20 944 307 005 02return line  1  
21 999 181 532 50connecting hose  2  
  
Pos__Part_Number__DescriptionRemarkQty.Model
22 999 512 554 00hose clamp  4  
  LB 12-22    
23 944 107 237 00support  2  
24 922 307 121 00hose piece  2  
25 900 906 024 00circlip  2  
26 431 609 781breather hose  2  
27 N 010 215 13hexagon-head bolt  1  
  M 6 X 15    
28 999 511 140 02pipe clamp  1  


Porsche 944 8Mail.de Fanpage

Porsche 944 Home


FreeCounter by http://www.eurocounter.com