Porsche 944 Power Lenkung Teile

Power Lenkung

  
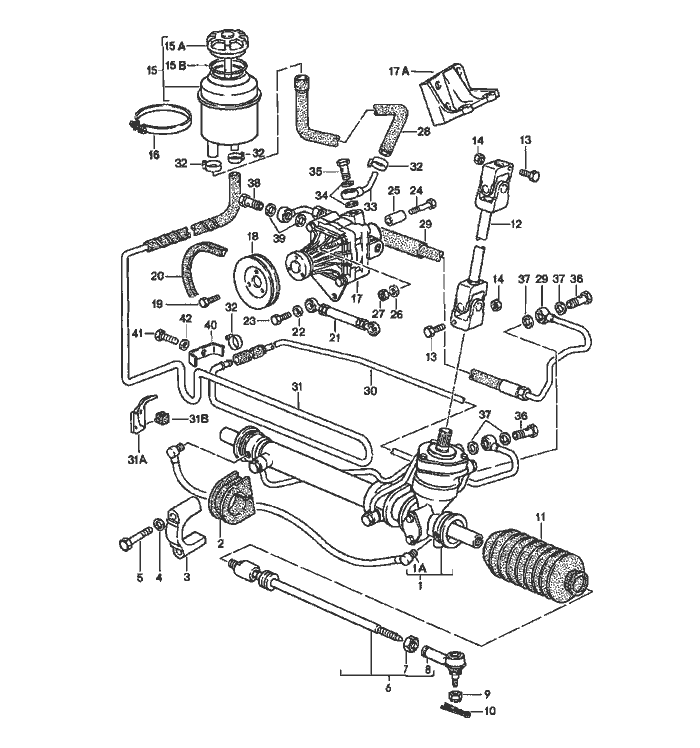
Pos__Part_Number__DescriptionRemarkQty.Model
  power steering    M 657
  steering gear     
  vane type pump     
  lines     
  see technical information     
  GR.4, NR.6/90     
1 944 347 011 24steering gear Left Hand Drive 1  
1A 944 347 311 00compensating line   1  
2 944 347 137 00rubber insert Left 1  
(2) 944 347 139 01rubber insert Right 1  
3 944 347 223 01clip Left Hand Drive 2  
4 900 025 007 02washer   4  
  A 8,4     
5 N 010 360 6hexagon-head bolt   4  
  M 8 X 60     
6 944 347 033 20tie rod   2  
7 N 011 163 3hexagon nut   2  
  M 14     
8 944 347 333 00ball joint   2  
9 N 011 212 2castle nut   2  
10 N 012 532 1cotter pin   2  
11 171 419 831 Cboot   2  
12 944 347 027 02drive shaft Left Hand Drive 1  
13 N 010 335 7hexagon-head bolt   2  
  M 8 X 35     
14 900 910 022 09lock nut   2  
  VM 8     
15 928 347 015 05oil tank   1  
15A 928 347 925 00lid   1  
15B 928 347 927 00gasket   1  
16 999 512 350 02hose clamp   1  
  
Pos__Part_Number__DescriptionRemarkQty.Model
17 944 347 432 08vane type pump   1  
17A 944 101 147 00bracket  -84 1  
  for     
  vane type pump     
(17A) 944 101 147 01bracket  851  
  for     
  vane type pump     
18 944 347 437 03pulley   1  
19 999 072 005 09hexagon-head bolt   3  
  M 6 X 12     
20 999 192 236 50narrow v-belt   1  
  9,5 X 950     
21 944 347 053 00strut   1  
22 900 025 007 02washer   1  
  A 8,4     
23 900 075 029 09hexagon-head bolt   2  
  M 8 X 25     
24 N 010 361 4hexagon-head bolt   1  
  M 8 X 65     
25 944 347 443 00sleeve   1  
26 900 025 007 02washer   1  
  A 8,4     
27 900 076 025 02hexagon nut   1  
  M 8     
28 944 347 445 02moulded hose   1  
29 944 347 447 00pressure line Left Hand Drive 1  
30 944 347 449 01return line Left Hand Drive 1  
31 944 347 459 00return line  -83 1  
31 944 347 459 02return line  841  
31A 944 347 465 02support   1  
  return line     
31B 944 347 467 00cable clip   4  
  for     
  line bracket     
  
Pos__Part_Number__DescriptionRemarkQty.Model
32 999 512 554 00hose clamp LA 12-22   2  
32A 999 512 346 02hose clamp 16 -25   1  
32B 999 512 450 02hose clamp 12 -20   1  
33 999 230 158 02nipple with elastic ring   1  
34 N 100 184 01sealing ring D 16 X 20   2  
35 900 134 014 02banjo bolt   1  
36 999 134 018 02banjo bolt 12 Left Hand Drive 2  
37 900 123 026 20sealing ring D 12 X 15,5 Left Hand Drive 4  
38 900 134 007 02banjo bolt   1  
39 900 123 042 20sealing ring D 14 X 18   2  
40 928 347 455 00shim   1  
41 900 074 015 02hexagon-head bolt M 6 X 30   1  
42 N 011 524 7washer A 6,4   1  


Porsche 944 8Mail.de Fanpage

Porsche 944 Home


FreeCounter by http://www.eurocounter.com