Porsche 944 Bremse Master Zylinder Teile

Bremse Master Zylinder

  
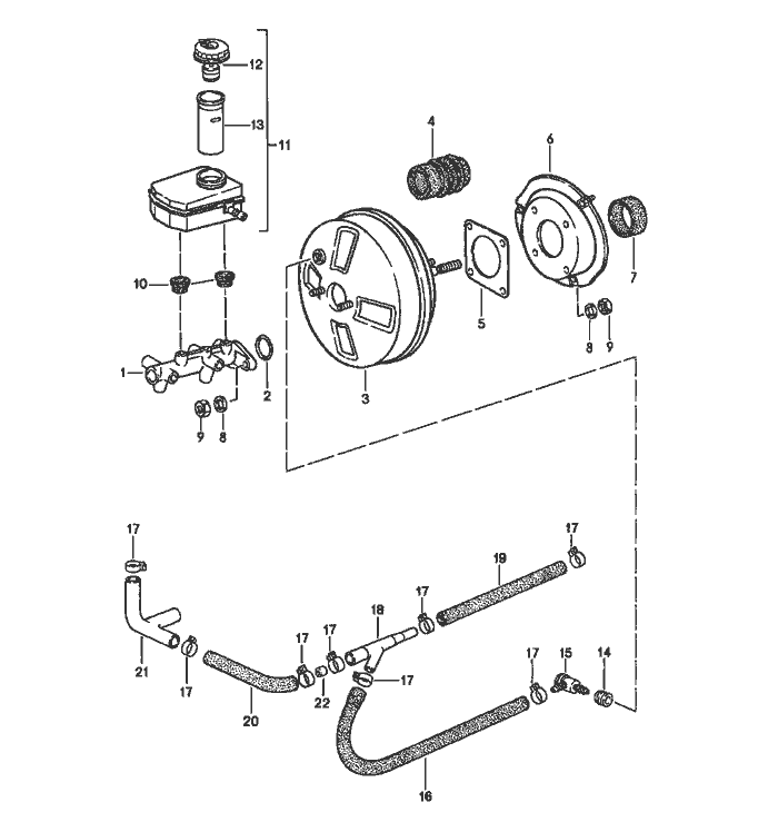
Pos__Part_Number__DescriptionRemarkQty.Model
  brake master cylinder    
  brake booster    
  expansion tank    
1 944 355 011 00brake master cylinder  1  
  -girling    
1 944 355 011 01brake master cylinder  1  
  -ate    
  brake light switch    
  see group    
  9/06/00    
2 251 611 243sealing ring  1  
3 944 355 023 00brake booster  1  
  -girling    
3 944 355 023 11brake booster  1  
  -ate    
4 944 355 323 00bellows  1  
5 477 611 951gasket  1  
6 477 611 945 Dintermediate piece  1  
7 477 611 969 Dgasket  1  
8 900 025 007 02washer  9  
9 900 076 025 02hexagon nut  9  
  M 8    
10 911 355 922 00sealing plug  2  
11 477 611 303 Bexpansion tank  1  
12 477 611 351 Blid  1  
  with float    
13 477 611 385 Arestrictor bush  1  
14 911 355 921 00rubber seal  1  
15 191 611 933 Fcheck valve  1  
(15) 477 611 933 Acheck valve  1 M 573
16 944 355 401 00elbow  1  
17 999 512 346 00hose clamp  9  
  
Pos__Part_Number__DescriptionRemarkQty.Model
18 035 133 753 Aventuri tube  1  
-944 110 365 01support  1  
  for    
  venturi tube    
-999 239 011 40hose  1  
19 -140 MM    
20 944 110 361 02moulded hose  1  
(20) 944 110 361 03moulded hose  1 M 573
21 944 110 363 02connecting piece  1  
22 944 110 241 01restrictor bush  1  


Porsche 944 8Mail.de Fanpage

Porsche 944 Home


FreeCounter by http://www.eurocounter.com