Porsche 944 Body Vorder Section Teile

Body Vorder Section

  
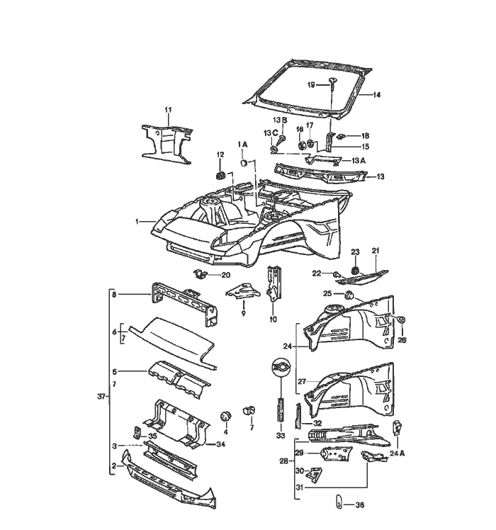
Pos__Part_Number__DescriptionRemarkQty.Model
  body front section     
(1) 944 501 011 12body front section Left Hand Drive 1  
2 944 503 043 00end plate   1  
  lower     
3 944 502 077 00cross member Vorder 1  
-999 507 336 02captive nut   2 M 573
  M 6     
  F 94EN4 61580>>     
4 803 803 583drain bush   3  
5 944 502 061 00air duct   1  
6 477 805 593end plate   1  
  upper     
7 477 805 567bracket Left 1  
(7) 477 805 568bracket Right 1  
8 944 501 933 01lock carrier Vorder 1  
  it is necessary to rework     
9 477 805 699corner plate Left 1  
(9) 477 805 699 Acorner plate Left 1 M 573
10 477 805 057 Areinforcement Left 1  
(10) 477 805 058 Areinforcement Right 1  
(11) 944 502 021 01firewall Left 1  
11 944 502 202 00firewall Right 1  
12 477 805 667water drain valve   2  
13 944 502 079 00cross member Left Hand Drive 1  
13A 944 572 377 00bracket   1  
  heating     
13B N 013 883 3tapping Schraube   4  
  B 4,8 X 9,5     
13C N 011 523 9washer   4  
  A 5,3 X 10     
14 477 805 571 Awindscreen frame   1  
  
Pos__Part_Number__DescriptionRemarkQty.Model
15 477 805 592cowl panel support   2  
16 900 910 012 02lock nut   2  
  M 6     
17 N 011 612 3washer   2  
  R 7     
18 N 015 458 1speed nut   4  
  4,8 X 14,8     
19 900 143 046 07tapping Schraube   4  
  B 4,8 X 16     
20 477 805 693support   1  
  horn     
21 477 809 119side member Left Hand Drive 1  
  upper left     
(21) 477 809 120side member Left Hand Drive 1  
  upper right     
22 311 881 945 Astopper Right 2  
23 803 803 583 Alid   6  
24 944 501 901 01wheel housing Left 1  
  without     
  carbon canister     
  use also:     
  stopper   2  
  999 703 103 40     
  use also:  84-  
  POS.24A     
(24) 944 501 902 00wheel housing Right 1  
  complete     
24A 944 502 071 00mounting  841  
  release Vorder   
25 999 703 103 40stopper Left 2  
26 N 020 025 1stopper   X  
(26) 999 703 179 40stopper   X  
27 944 501 101 02wheel housing Left 1  
(27) 477 809 108 Cwheel housing Right 1  
28 944 501 017 00side member Left 1  
  
Pos__Part_Number__DescriptionRemarkQty.Model
(28) 944 501 018 00side member Right 1  
29 944 501 081 00filler plate side member Left 1  
(29) 944 501 082 00filler plate Right 1  
30 944 501 065 00separator Left 1  
(30) 944 501 066 00separator Right 1  
31 951 501 165 00closing element Left 1  
(31) 951 501 166 00closing element Right 1  
32 944 501 065 00separator Left 1  
(32) 944 501 066 00separator Right 1  
33 944 025 115 00sealing rubber   2  
34 944 575 021 00cooling air duct   1  
35 999 049 001 40plastic nut   8  
37 944 503 031 00terminal piece   1  
 GRVprime coated complete     


Porsche 944 8Mail.de Fanpage

Porsche 944 Home


FreeCounter by http://www.eurocounter.com