Porsche 944 Installation Teile Teile

Installation Teile

  
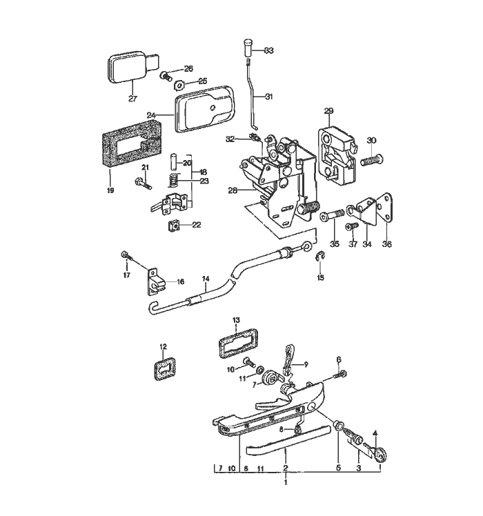
Pos__Part_Number__DescriptionRemarkQty.Model
  installation parts     
  door     
  door lock     
1 477 837 037 Houter door handle Left 1  
  with lock cylinder     
  w/o stipulated lock number     
(1) 477 837 038 Houter door handle Right 1  
  with lock cylinder     
  w/o stipulated lock number     
2 823 837 239cover   2  
3 944 538 903 00lock cylinder   2  
  with keys     
  w/o stipulated lock number     
(3) 944 538 903 01lock cylinder   2  
  with keys     
  with stipulated lock number     
--grease     
  for lock cylinder     
  see group     
  0/05/00     
4 477 837 219blank key   2  
(4) 944 538 933 00key   1  
  with stipulated lock number     
  Information available     
5 111 837 227 Bsealing ring   2  
6 803 837 951self-lock. fillister Schraube   2  
7 477 837 497driver   2  
8 999 168 004 40ball socket   2  
9 A 477 837 505 Aconnecting piece Left 1  
  F >>94DN4 52325     
9 477 837 505 Aconnecting piece Left 1  
(9) 477 837 506 Aconnecting piece Right 1  
10 N 033 165 1countersunk-head Schraube   2  
  AM 4 X 8     
11 N 012 116 1serrated lock washer   2  
  V 4,3     
  
Pos__Part_Number__DescriptionRemarkQty.Model
12 867 837 209desk pad Vorder 2  
13 171 837 211 Adesk pad Hinter 2  
14 477 837 017 Abowden cable   2  
15 900 116 002 02lock washer   2  
  3,2     
16 477 837 115 Asupport   2  
17 A 999 217 029 02hexagon-head bolt   4  
17 999 217 029 02hexagon-head bolt   4  
  M 6 X 10     
  self-locking     
18 171 837 019inner door release Left 1  
 041black     
 90Vbrown     
(18) 171 837 020inner door release Right 1  
 041black     
 90Vbrown     
19 477 831 304 Aseal   2  
20 N 013 666 1rivet   2  
  B 4 X 32     
21 999 217 029 02hexagon-head bolt   8  
22 477 837 521captive nut   8  
23 811 837 723spring   2  
  for operating lever     
24 171 837 235rosette   2  
 01Cblack     
 90Vbrown     
25 111 837 291cone washer   2  
26 N 014 216 1countersunk-head Schraube   2  
  AM 5 X 10     
27 311 837 247finger plate   2  
  
Pos__Part_Number__DescriptionRemarkQty.Model
 043black    
 90Vbrown    
28 928 537 907 03lock inner part Left Hand Drive \/ Left Side1  
(28) 928 537 908 04lock inner part Left Hand Drive \/ Right Side1  
29 928 537 153 03door lock outer part Left1  
(29) 928 537 154 03door lock outer part Right1  
30 928 537 721 02oval-head Schraube M 8 X 35  4  
31 477 837 183 Alocking rod  2  
32 477 837 187clip  2  
33 111 837 187 Bknob  2  
 043black    
34 928 537 133 02door lock striker  2  
35 928 537 131 03lock pin  2  
36 928 537 135 04desk pad  2  
37 900 269 027 02countersunk-head Schraube M 8 X 16  4  


Porsche 944 8Mail.de Fanpage

Porsche 944 Home


FreeCounter by http://www.eurocounter.com