Porsche 944 Switch Teile

Switch

  
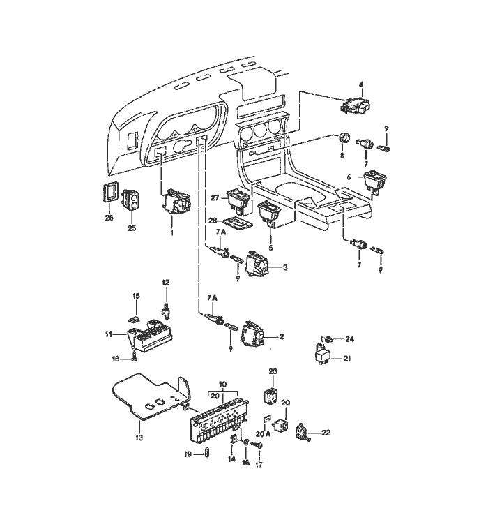
Pos__Part_Number__DescriptionRemarkQty.Model
  switch     
  fuse box     
  relay     
(1) 477 941 531 Glight switch   1  
2 477 959 623switch   1  
  rear window heating     
3 477 953 235 Aemergency light switch   1  
(4) 944 613 111 00switch   1  
  fog headlamp     
(5) 911 613 113 00changeover switch   X  
6 477 955 701rocker switch   1  
  rear window wiper     
(6) 477 955 702tip switch   1  
  headlight washer system     
(6) 477 955 703mirror changeover switch   1  
7 914 631 179 10bulb socket   3  
7A 141 957 397 Abulb socket   1  
8 477 919 333knob holder   2  
9 900 631 132 90bulb   X  
  12 V, 1,2 W     
10 477 941 813mounting plate   1  
11 477 937 511fuse holder   1  
  9-pole     
12 999 652 275 10contact   X  
13 477 941 802cover Left Hand Drive 1  
14 N 015 438 1speed nut   1  
  B 3,5 X 16,5     
15 N 045 421 1tapping Schraube   2  
  B 4,2     
16 N 011 663 1washer   1  
  B 3,7     
17 900 143 072 02oval-head sheetmetal Schraube   1  
  B 3,5 X 19     
  
Pos__Part_Number__DescriptionRemarkQty.Model
18 N 013 964 4tapping Schraube  2  
  B 4,2 X 16    
19 N 017 121 1safety fuse  X  
  8 A    
(19) N 017 121 4safety fuse  X  
  16 A    
(19) N 017 121 5safety fuse  1  
  25 A    
20 111 953 227 Dflasher relay  1  
(20) 141 951 253 Brelay  3  
  additional headlamp    
  electric fan    
  rear window heating    
(20) 944 615 102 01relay 841  
  seat belt    
  rear window heating    
(20) 141 951 253 Brelay  1  
  horn    
  F >>94DN4 51402   (USA),(CDN)
(20) 443 963 141relay  1  
  horn    
  F 94DN4 51403>>   (USA),(CDN)
(20) 944 615 113 01relay  1  
  air conditioner    
(20) 477 955 531 Ainterval relay  1  
(20) 993 615 227 00relay  1  
  fuel pump    
(20) 321 919 433 Brelay -83 1  
(20) 928 618 102 03relay 841  
  with    
  warning function    
(20) 944 615 103 00switch unit  1  
  radio    
  lifting roof    
(20) 111 943 383 Crelay  1  
  electric motor    
  pop-up headlight    
  
Pos__Part_Number__DescriptionRemarkQty.Model
20A 171 937 545plug bridge   1  
(21) 944 615 223 00relay fog headlamp   1 (USA),(CDN)
22 477 971 923protection cap relay electric motor pop-up headlight   1  
23 135 937 501 Aterminal sleeve housing   X  
24 999 070 007 40cap nut Left Hand Drive 1  
25 944 613 129 01tip switch   1  
 01Csatin black rear lid release     
26 477 867 185 Bmounting piece   1  
27 951 613 123 00switch lifting roof   1  
28 944 613 124 00rosette   1  


Porsche 944 8Mail.de Fanpage

Porsche 944 Home


FreeCounter by http://www.eurocounter.com