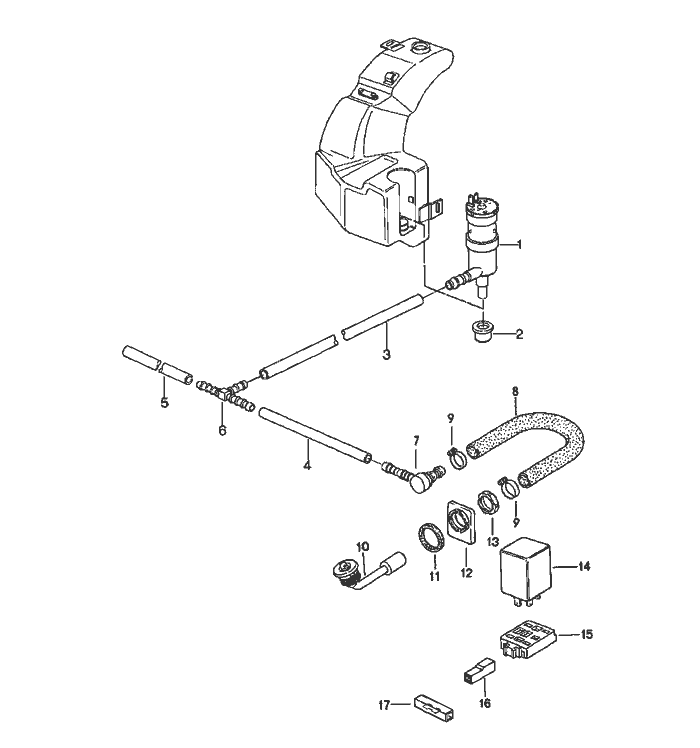
Porsche 944 Kopflight Washer System Teile

Kopflight Washer System

  
Pos__Part_Number__DescriptionRemarkQty.Model
  headlight washer system   M 288
1 191 955 681motor pump  1  
2 431 955 465 Agasket  1  
-N 020 126 1pipe  *  
  12,5 X 1,25    
3 -410 MM  1  
4 -800 MM  1  
5 -60 MM  1  
6 113 955 975 Bt-piece  1  
7 477 955 183pressure control valve  2  
8 928 528 161 02hose  2  
9 N 023 570 2hose clamp  4  
(10) 477 955 177jet carrier  2 M 036/058
11 944 628 803 00rubber washer  2  
12 944 628 801 00torsion protection  2  
13 N 019 121 1nut  2  
  MPG 11    
14 928 618 111 00relay  1  
15 135 937 501 Aterminal sleeve housing  1  
16 825 971 990terminal sleeve housing  1  
17 111 937 077 Eline distributor  1  


Porsche 944 8Mail.de Fanpage

Porsche 944 Home


FreeCounter by http://www.eurocounter.com