Porsche 944 Zylinder Kopf Teile

Zylinder Kopf

  
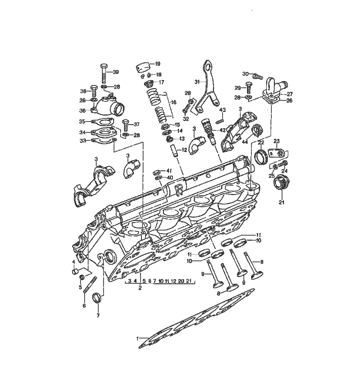
Pos__Part_Number__DescriptionRemarkQty.Model
  cylinder head   M44.40
  valves    
1 951 104 374 02cylinder head gasket  1  
(1) 951 104 374 50cylinder head gasket  1  
  for    
  recond. cylinder heads    
2 944 104 013 03cylinder head  1  
4 911 101 182 00stopper  X  
5 N 011 918 1lid  X  
6 999 062 139 02stud  12  
  BM 8 X 26    
7 900 036 014 02lid  1  
8 928 105 641 05intake valve  8  
9 928 105 642 06exhaust valve  8  
-000 043 204 45sleeve  X  
  for    
  valve stem seal    
10 928 104 611 17valve seat ring  8  
  intake    
  oversize 0.25 mm    
11 928 104 612 14valve seat ring  8  
  exhaust    
  oversize 0.25 mm    
12 944 104 327 51valve guide  16  
  1st oversize    
13 928 104 601 07valve stem seal  16  
14 944 105 465 02washer  X  
  0,5 MM    
14 944 105 465 03washer  X  
  1,0 MM    
14 944 105 465 04washer  X  
  1,5 MM    
15 944 105 463 02washer  16  
16 944 105 907 01set of valve springs  16  
  
Pos__Part_Number__DescriptionRemarkQty.Model
17 944 105 467 03concave washer  16  
18 928 105 221 10valve collet  32  
19 928 105 312 02hydraulic valve tappet  16  
21 944 104 228 01Schraube plug  1  
22 928 105 215 00lid  3  
23 928 105 205 00support  3  
24 900 075 016 02hexagon-head bolt  3  
  M 6 X 22    
25 N 011 524 7washer  3  
  A 6,4    
26 928 106 167 01gasket  1  
27 928 104 713 02adapter  1  
28 900 025 007 02washer  7  
  A 8,4    
29 900 075 029 09hexagon-head bolt  2  
  M 8 X 25    
30 N 010 113 4hexagon-head bolt  1  
31 944 104 415 01shackle for transportation  1  
32 N 012 241 11spring washer  2  
  M 8 X 22    
33 944 104 305 03gasket  1  
33 944 104 305 03gasket  1  
  without asbestos    
34 944 104 323 00intermediate flange  1  
35 944 104 302 03gasket  1  
35 944 104 302 03gasket  1  
  without asbestos    
36 944 104 308 01cooling water socket  1  
37 N 014 725 2pan-head Schraube  1  
  M 8 X 25    
  
Pos__Part_Number__DescriptionRemarkQty.Model
38 N 014 725 2pan-head Schraube M 8 X 25  1  
39 N 044 732 1pan-head Schraube M 8 X 75  1  
40 944 104 229 00washer  10  
41 999 076 043 02hexagon nut M 12 X 1,5  10  
42 A 944 107 139 00pressure relief valve  1  
42 944 107 139 00pressure relief valve  1  
43 999 218 035 02threaded pin M 6 X 20  1  
(44) 928 105 262 00pin  2  


Porsche 944 8Mail.de Fanpage

Porsche 944 Home


FreeCounter by http://www.eurocounter.com