Porsche 944 L-jetronic Teile

L Jetronic

  
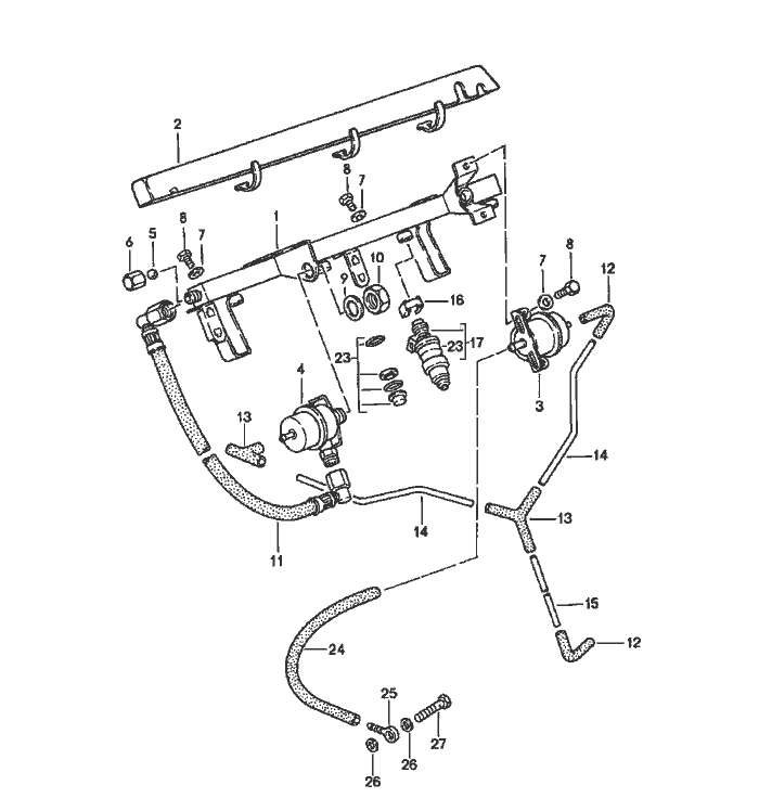
Pos__Part_Number__DescriptionRemarkQty.Model
  l-jetronic   M44.50/51
  2   M44.52
1 944 110 080 20fuel collection pipe  1  
2 944 607 081 03cover  1  
3 944 110 198 03pressure regulator  1  
4 944 110 201 03diaphragm damper  1  
5 900 108 022 00ball  1  
6 928 110 475 01cap nut  1  
7 N 011 524 7washer  4  
8 999 072 005 09hexagon-head bolt  4  
  M 6 X 12    
9 N 012 238 5spring washer  1  
10 900 034 013 02hexagon nut  1  
  M 16 X 1,5    
11 944 110 413 02fuel line  1  
12 928 574 717 02moulded hose  X  
13 928 573 727 02distributing piece  X  
-N 020 139 11pipe  *  
  4 X 1    
14 -180 MM  2  
15 -380 MM  1  
16 930 110 388 00retaining clip  4  
17 951 606 110 00injector valve  4  
  SGT 23 -35 / 9W2    
23 944 110 901 00gasket set  4  
  for    
  injector valve    
24 951 110 323 00hose  1 M44.52
25 999 230 113 02nipple  1 M44.52
26 900 123 050 30sealing ring  2 M44.52
  
Pos__Part_Number__DescriptionRemarkQty.Model
27 911 110 899 00banjo bolt   1 M44.52


Porsche 944 8Mail.de Fanpage

Porsche 944 Home


FreeCounter by http://www.eurocounter.com