Porsche 944 Disc Bremse Teile

Disc Bremse

  
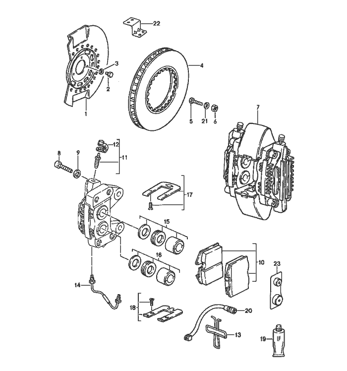
Pos__Part_Number__DescriptionRemarkQty.Model
  disc brake    TURBO
  front axle     
  see technical information     
  GR.4, NR.1/89     
  GR.4, NR.1/93     
1 951 351 805 00cover plate Left-86 1  
1 951 351 085 00cover plate Left871  
(1) 951 351 806 00cover plate Right-86 1  
1 951 351 086 00cover plate Right871  
  for     
  M 030/758     
  it is necessary to rework     
2 N 010 226 2hexagon-head bolt   6  
  M 7 X 10     
3 N 012 234 5spring washer   6  
4 951 351 041 00brake disc  -86 2  
4 A 951 351 041 02brake disc  872  
4 951 351 041 02brake disc  872  
(4) 928 351 043 60brake disc Left 1 M 758
(4) 928 351 044 60brake disc Right 1 M 758
5 N 010 242 12hexagon-head bolt   10  
  M 8 X 22     
6 N 022 146 1lock nut   10  
7 951 351 421 00fixed calliper Left-86 1  
  piston     
  $ 36/38     
  see technical information     
  GR.4 NR.2/86     
7 951 351 421 01fixed calliper Left871  
  piston     
  $ 36/40     
(7) 951 351 422 00fixed calliper Right-86 1  
  piston     
  $ 36/38     
  see technical information     
  GR.4 NR.2/86     
  
Pos__Part_Number__DescriptionRemarkQty.Model
(7) 951 351 422 01fixed calliper Right871  
  piston     
  $ 36/40     
7 951 351 093 00fixed calliper Left 1 M 758
  piston     
  $ 36/44     
7 951 351 094 00fixed calliper Right 1 M 758
  piston     
  $ 36/44     
8 N 010 137 2hexagon-head bolt   4  
  M 12 X 1,5 X 35     
8 900 067 154 02pan-head Schraube   4 M 758
  M 12 X 1,5 X 70     
9 900 028 014 02spring washer   4  
  B 12     
9 N 011 564 2washer   4 M 758
  B 13     
10 964 351 939 03brake pad repair set   1  
  without asbestos     
  use also:  87  
-928 351 096 19damping plate  874  
  for     
  piston     
  $ 36     
-951 351 096 00damping plate  874  
  for     
  piston     
  $ 40     
10 993 351 939 01brake pad repair set   1 M 758
  without asbestos     
  use also:     
  POS.(23)     
11 930 351 919 00ventilation valve   4  
12 930 351 927 00dust boot   4  
13 951 352 950 00expanding spring   2  
13 928 351 950 01expanding spring   2 M 758
14 951 351 971 00connecting line   2  
  
Pos__Part_Number__DescriptionRemarkQty.Model
14 928 351 971 00connecting line  2 M 758
15 951 351 919 00gasket set -86 2  
  38 $    
15 951 351 919 02gasket set 872  
  40 $    
15 928 351 919 01gasket set  2 M 758
  44 $    
16 951 351 919 01gasket set  2  
  36 $    
17 964 351 959 01repair kit  2  
  spring plate    
17 993 351 959 01repair kit  2 M 758
  spring plate    
18 964 351 959 00repair kit  2  
  spring plate    
18 993 351 959 00repair kit  2 M 758
  spring plate    
19 000 043 020 00optimoly  X  
  1 100-gramme tube    
19 000 043 117 00brake cylinder paste  X  
  1 50-g tube    
20 944 612 211 00warning contact -86 2  
(20) 944 612 365 01warning contact 872  
  use also:    
-928 612 361 00cable holder 872  
21 N 012 241 11spring washer  10  
22 951 341 705 00cable holder  2  
-999 651 202 40clip  2  
  for    
  POS.22    
23 951 351 089 04vibration damper  4 M 758


Porsche 944 8Mail.de Fanpage

Porsche 944 Home


FreeCounter by http://www.eurocounter.com