Porsche 944 Hydraulic Unit -ABS- Teile

Hydraulic Unit  ABS

  
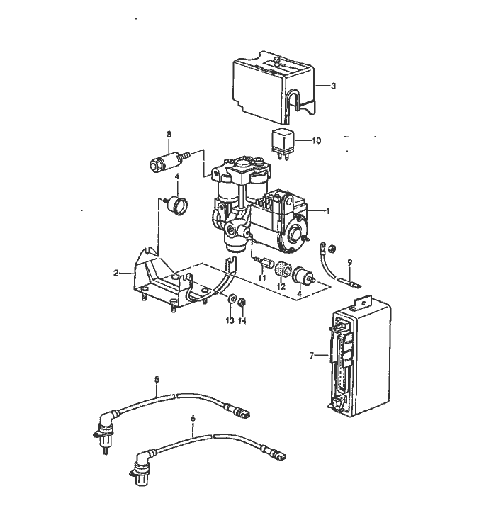
Pos__Part_Number__DescriptionRemarkQty.Model
  hydraulic unit -ABS-   M 593
1 951 355 913 00hydraulic unit   1  
2 944 355 063 00support   1  
3 928 355 960 00cap F >>95JN1 60090 F >>94JN4 65488 F >>94JN4 72775 F >>95JN1 51164   1  
3 928 355 960 01cap F 95JN1 60091>> F 94JN4 65489>> F 94JN4 72776>> F 95JN1 51165>>   1  
4 944 355 631 00bearing sleeve   3  
4A 437 614 177rubber buffer   3  
5 928 606 404 02speed sensor Vorder 2  
6 944 606 401 02speed sensor Hinter 2  
7 928 618 118 00control unit   1  
8 928 355 305 02brake pressure regulator   1 944
8 951 355 305 01brake pressure regulator   1 944S/TURBO
9 928 612 189 01ground strap   1  
10 928 618 931 00relay for valve F >>95JN1 60090 F >>94JN4 65488 F >>94JN4 72775 F >>95JN1 51164   1  
10 928 618 931 01relay for valve F 95JN1 60091>> F 94JN4 65489>> F 94JN4 72776>> F 95JN1 51165>>   1  
  
Pos__Part_Number__DescriptionRemarkQty.Model
10 928 618 930 00relay for engine F >>95JN1 60090  1  
  F >>94JN4 65488 F >>94JN4 75775    
  F >>95JN1 51164    
10 928 618 930 01relay for  1  
  engine F 95JN1 60091>> F 94JN4 65489>>    
  F 94JN4 72776>>    
  F 95JN1 51165>>    
11 944 355 667 00bolt  3  
  M 6    
12 437 614 177rubber buffer  3  
13 N 011 666 7washer B 6,4  3  
14 N 011 062 3cap nut M 6  3  


Porsche 944 8Mail.de Fanpage

Porsche 944 Home


FreeCounter by http://www.eurocounter.com