Porsche 944 Side Section Teile

Side Section

  
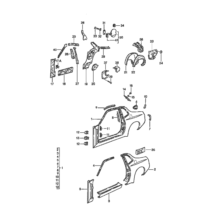
Pos__Part_Number__DescriptionRemarkQty.Model
  side section     
(1) 944 503 061 09side section Left 1  
  it is necessary to rework    M 758
(1) 944 503 062 05side section Right 1  
  it is necessary to rework    M 758
(2) 944 503 903 03side section Left 1  
  outer     
  it is necessary to rework    M 758
(2) 944 503 904 03side section Right 1  
  outer     
  it is necessary to rework    M 758
3 944 503 611 00door sill Left 1  
(3) 944 503 612 00door sill Right 1  
4 944 503 517 00roof frame Left 1  
(4) 944 503 518 00roof frame Right 1  
5 944 503 401 01hinge pillar Left 1  
(5) A 944 503 402 01hinge pillar Right 1  
(5) 944 503 606 01hinge pillar Right 1  
6 944 503 068 00pot   1  
  tank filler neck     
7 477 809 375 Abracket for light Left 1  
(7) 477 809 376 Abracket for light Right 1  
8 477 809 445reinforcement Left 1  
(8) 477 809 446reinforcement Right 1  
9 477 809 585filler plate Left 1  
(9) 477 809 586filler plate Right 1  
10 477 809 617retaining bracket Left 1  
  lid     
  boot floor lining     
(10) 477 809 618retaining bracket Right 1  
11 477 809 653mounting plate   4  
  
Pos__Part_Number__DescriptionRemarkQty.Model
12 477 809 655hinge reinforcement   4  
13 477 809 625reinforcement   2  
14 944 503 097 00reinforcement Left 1  
(14) 944 503 098 00reinforcement Right 1  
15 928 504 355 02gasket   4  
16 999 015 005 07half-round Schraube   4  
17 477 809 393 Ahinge pillar use also: left-hand drive POS. 17A Left 1  
(17) 477 809 394 Ahinge pillar Right 1  
17A 944 502 373 00mounting switch rear lid release   1  
18 477 809 433separator   2  
19 944 502 901 02side section F >>94GN4 52782 F >>95GN1 51433 Left 1 944 TURBO
19 944 502 901 04side section order also: POS. 37 POS. 39 for M490: POS. 38 POS. 39 F 94GN4 52783>> F 95GN1 51434>> Left 1 1 3 1 4 944 TURBO
(19) 944 502 902 02side section F >>94GN4 52782 F >>95GN1 51433 Right 1 944 TURBO
  
Pos__Part_Number__DescriptionRemarkQty.Model
(19) 944 502 902 04side section Right1  
  with    
  expansion tank    
  order also:    
  POS. 37  1  
  POS. 39  3  
  for    
  M490:    
  POS. 38  1  
  POS. 39  4  
  F 94GN4 52783>>   944
  F 95GN1 51434>>   TURBO
20 931 502 387 01corner plate Left1  
(20) 931 502 388 01corner plate Right1  
21 944 501 043 00wheel housing Left1  
(21) 944 501 044 01wheel housing Right1  
22 931 502 411 01wheel housing Left1  
  it is necessary to rework   M 758
(22) 931 502 412 01wheel housing Right1  
  it is necessary to rework   M 758
23 944 502 025 00side section Hinter Left1  
(23) 944 502 026 00side section Right1  
24 803 803 583drain bush  X  
(24) 021 119 569rubber sleeve  X M 650
25 477 809 037separator Left1  
(25) 477 809 037separator Left1 M 650
(25) 477 809 038separator Right1  
(25) A 477 809 038separator Right1  
26 477 809 397centre pillar Left1  
(26) 477 809 398centre pillar Right1  
27 944 502 049 00reinforcement Left1  
(27) 944 502 050 00reinforcement /R -86 1  
(27) 944 502 050 00reinforcement /R 871  
  
Pos__Part_Number__DescriptionRemarkQty.Model
28 477 809 427closing element Left 1  
(28) 477 809 428closing element Right 1  
29 A 944 502 439 00reinforcement Left 1  
29 944 502 439 00reinforcement Left 1  
(29) 477 809 440reinforcement Right 1  
30 944 504 095 00flap   1  
31 944 504 403 00desk pad   X  
32 N 012 222 4spring washer   2  
  A 5     
33 900 146 106 07oval-head Schraube   2  
  M 5 X 12     
34 944 504 397 00stop   1  
(35) 944 555 275 01filler piece Left 1  
(35) 944 555 276 00filler piece Right 1  
36 951 201 049 00cover   1  
  lower part     
  filler neck     
37 944 504 621 00adapter Left 1  
  for     
  loudspeaker     
(37) 944 504 622 00adapter Right 1  
  for     
  loudspeaker     
38 944 504 611 01adapter Left 1 M 490
  for     
  loudspeaker     
(38) 944 504 612 01adapter Right 1 M 490
  for     
  loudspeaker     
39 N 090 114 1tapping Schraube   8  
  B 3,9 X 9,5     
40 944 502 041 00side section Left 1  
  inner     
  
Pos__Part_Number__DescriptionRemarkQty.Model
(40) 944 502 042 00side section inner Right 1  


Porsche 944 8Mail.de Fanpage

Porsche 944 Home


FreeCounter by http://www.eurocounter.com