Porsche 944 Antrieb Ausgleichswelle Teile

Antrieb Ausgleichswelle

  
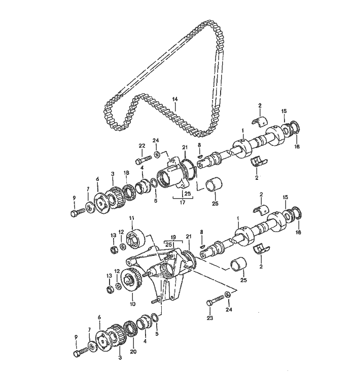
Pos__Part_Number__DescriptionRemarkQty.Model
  driving mechanism     
  balance shaft     
1 944 102 023 01balance shaft   2 M44.11/12
1 944 102 923 00balance shaft   2 M44.41/52
2 944 101 121 10bearing shell   4  
3 944 102 205 04gear wheel   2  
4 928 105 139 02spacer sleeve   2  
5 * 944 105 321 00gasket   2  
6 944 102 281 04flange washer   2  
7 944 102 213 00washer   2  
8 N 012 708 2woodruff key   2  
9 N 010 275 3hexagon-head bolt   2  
  M 10 X 35     
10 944 102 025 07tensioning roller   1  
11 944 102 277 06roller   1  
12 N 011 527 12washer   2  
  A 10,5     
13 N 022 149 2lock nut   2  
  M 10     
14 944 102 219 04toothed belt   1  
  technical information     
  group 1     
  NR.15/95     
  attention     
15 944 101 145 03locking ring   2  
16 999 701 875 40round seal   2  
17 944 101 045 00bearing case Left 1  
18 * 999 113 282 40shaft sealing ring Left 1  
  30 X 47     
19 944 101 042 02bearing case Right 1  
20 * 999 113 281 40shaft sealing ring Right 1  
  30 X 48     
  
Pos__Part_Number__DescriptionRemarkQty.Model
21 * 999 701 652 40o-ring 56,7 X 3,53  2  
22 N 010 335 5hexagon-head bolt M 8 X 35  3  
23 N 010 360 6hexagon-head bolt M 8 X 60  3 M 657
24 900 025 007 02washer A 8,4  6  
25 944 101 125 02bearing sleeve  2  
25 944 101 125 50bearing sleeve 0,5 MM oversize  2  
-944 347 442 00dowel sleeve  1 M 657


Porsche 944 8Mail.de Fanpage

Porsche 944 Home


FreeCounter by http://www.eurocounter.com