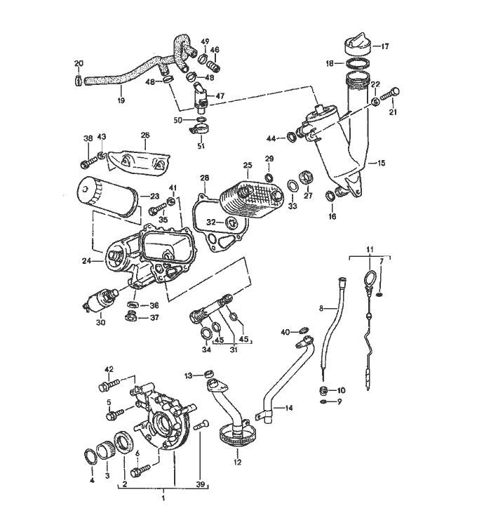
Porsche 944 Motor Schmierung Teile

Motor Schmierung

  
Pos__Part_Number__DescriptionRemarkQty.Model
  engine lubrication   M44.11/12
1 944 107 014 11oil pump  1  
2 * 999 113 331 40shaft sealing ring  1  
  38 X 52 X 7    
3 944 107 161 02toothed sleeve  1  
4 * 999 707 283 40round seal  1  
  28 X 2,58    
5 900 075 345 02hexagon-head bolt  4  
  M 6 X 35    
6 900 075 343 02hexagon-head bolt  3  
  M 6 X 45    
7 900 331 013 40o-ring  1  
8 944 101 027 05guide tube   M44.11/12
9 900 174 044 40round seal  1  
10 944 107 329 00spacer sleeve  1  
11 944 107 025 01oil level dipstick  1  
12 944 107 032 07suction tube  1  
13 944 107 136 03sealing ring  1  
14 944 107 183 03return pipe  1  
  M --46K   M44.11
  M --46K   M44.12
14 944 107 052 01return pipe  1  
  M 46K    
  M 46K    
15 944 107 180 08oil separator  1  
16 * 999 701 661 40round seal  2  
  24 X 5    
17 944 107 091 01oil filler cover  1  
18 999 701 846 40o-ring  1  
19 944 107 187 02moulded hose  1  
20 999 512 374 02hose clamp  1  
  
Pos__Part_Number__DescriptionRemarkQty.Model
21 900 075 029 09hexagon-head bolt  3  
  M 8 X 25    
22 900 025 007 02washer  7  
  A 8,4    
23 944 107 201 08oil filter  1  
24 944 107 149 06housing  1  
25 944 107 165 01oil-water radiator  1  
(26) 944 107 053 02cover plate  1  
27 944 107 153 02rubber ring  1  
28 944 107 147 03gasket  1  
29 999 707 043 40o-ring  2  
30 928 606 203 01oil pressure sender  1  
31 944 107 035 02relief valve  1  
32 944 107 154 00washer  1  
33 944 107 219 00shim  X  
34 * N 043 815 3sealing ring  1  
  A 20 X 24    
35 900 075 029 09hexagon-head bolt  4  
  M 8 X 25    
36 * 900 123 106 30sealing ring  1  
  A 18 X 24    
37 N 016 161 1Schraube plug  1  
38 999 072 005 09hexagon-head bolt  2  
  M 6 X 12    
39 900 249 017 02countersunk-head Schraube  2  
  M 6 X 25    
40 999 707 079 40o-ring  1  
41 900 232 004 02washer  1  
42 900 074 317 02hexagon-head bolt  1  
  M 10 X 45 Z1    
  
Pos__Part_Number__DescriptionRemarkQty.Model
43 N 011 524 7washer A 6,4  2  
44 999 701 613 40round seal 20 X 5  1  
45 999 707 144 40sealing ring  2  
46 944 107 324 00valve  1  
47 944 616 104 00heating tube  1  
48 999 512 346 02hose clamp  2  
49 999 512 457 00clamp  1  
50 900 174 056 40o-ring  1  
51 999 512 480 02clip  1  
-000 043 010 00loctite -57450 ML  1  
-000 043 124 00loctite ACTIVATOR N -764120 ML  1  


Porsche 944 8Mail.de Fanpage

Porsche 944 Home


FreeCounter by http://www.eurocounter.com