Porsche 944 Wasser Kühlung Teile

Wasser Kühlung

  
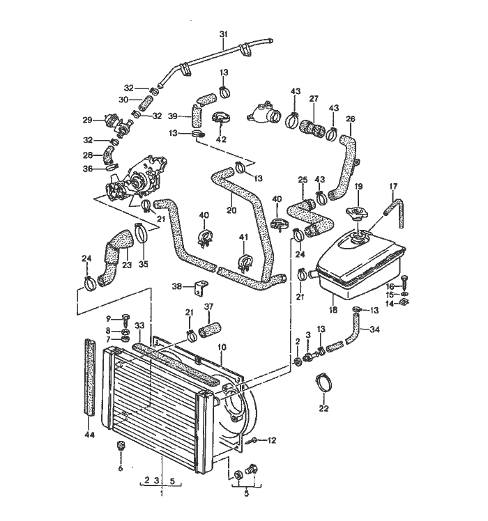
Pos__Part_Number__DescriptionRemarkQty.Model
  water cooling   M44.41
1 951 106 031 03radiator  1  
2 944 106 928 00sealing ring  1  
3 944 106 927 00Schraube socket  1  
5 944 106 353 01Schraube plug  1  
6 951 106 107 00rubber mounting  2  
7 951 106 053 00rubber mounting  2  
8 900 076 025 02hexagon nut  2  
9 900 046 004 02hexagon-head bolt  2  
10 951 106 143 00airscoop  1  
12 900 187 111 02combination Schraube  6  
  6,3 X 12    
13 900 272 002 02hose clamp  2  
  10 -16    
14 477 955 461speed nut  2  
15 N 011 524 7washer  6  
  A 6,4    
16 N 090 172 1combination Schraube  2  
  6,3 X 19    
17 944 106 251 00water hose  1  
18 944 106 125 06expansion tank  1  
19 944 106 257 00lid  1  
20 944 106 217 02water hose  1  
21 999 512 392 00hose clamp  5  
22 999 513 003 40tie-wrap  4  
23 951 106 237 04water hose  1  
24 999 512 500 00hose clamp  5  
  32 -50    
25 944 106 239 06water hose  1  
  
Pos__Part_Number__DescriptionRemarkQty.Model
26 944 106 091 01cooling water tube  1  
27 944 106 235 01water hose  1  
28 944 106 241 04water hose  1  
29 928 574 573 03disc valve  1  
30 944 106 253 01water hose  1  
31 944 106 243 07cooling water tube  1  
32 999 512 391 00hose clamp  3  
  16 -25    
33 944 556 837 00sealing rubber  1  
34 951 106 249 01water hose  1  
35 999 512 390 00hose clamp  1  
  60 -80    
36 999 512 421 02hose clamp  1  
  23 -35    
37 944 106 103 02cap  1  
38 477 971 881 Bretaining bracket  1  
39 944 106 236 02water hose  1  
40 321 971 847 Bclip  2  
41 321 971 847 Aclip  1  
42 171 971 847 Aclip  1  
43 999 512 384 02hose clamp  3  
  25 -40    
44 944 025 115 00rubber seal  *  
  334 MM  2  


Porsche 944 8Mail.de Fanpage

Porsche 944 Home


FreeCounter by http://www.eurocounter.com