Porsche 944 Motor Aufhängung Teile

Motor Aufhängung

  
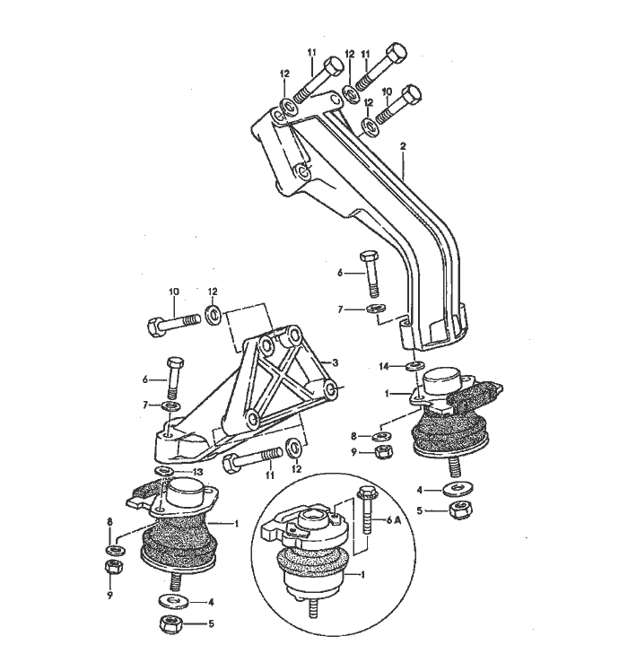
Pos__Part_Number__DescriptionRemarkQty.Model
  engine suspension    M44.11/12/41
  see technical information     
  GRP.1 NR. 4/90     
1 944 375 042 04hydraulic mount   2 M44.11/12
1 951 375 042 04hydraulic mount   2 M44.41
      COUPE
1 951 375 042 04hydraulic mount   2 M44.41
      CABRIO
2 944 375 123 03engine carrier Left 1 M44.11/12
2 944 375 123 06engine carrier Left 1 M44.41
3 944 375 124 02engine carrier Right 1  
4 477 407 425washer   2  
5 N 022 149 2lock nut   2  
  VM 10     
6 N 010 351 6hexagon-head bolt   4  
  M 8 X 52     
6A 900 378 024 02hexagon-head bolt   4  
  M 8 X 38     
(6A) 900 378 034 02hexagon-head bolt   4  
  M 8 X 42     
7 900 223 001 02washer   4  
  8,4     
8 900 025 007 02washer   4  
  A 8,4     
9 900 910 022 09lock nut   4  
  VM 8     
10 N 010 445 3hexagon-head bolt   3  
  M 10 X 45     
11 900 074 063 02hexagon-head bolt   5  
  M 10 X 55     
12 900 025 008 09washer   8  
  A 10,5     
13 900 223 001 02washer   2 COUPE
  
Pos__Part_Number__DescriptionRemarkQty.Model
14 900 223 001 02washer   2 M44.41 COUPE


Porsche 944 8Mail.de Fanpage

Porsche 944 Home


FreeCounter by http://www.eurocounter.com