Porsche 944 Limited-slip Differential Teile

Limited Slip Differential

  
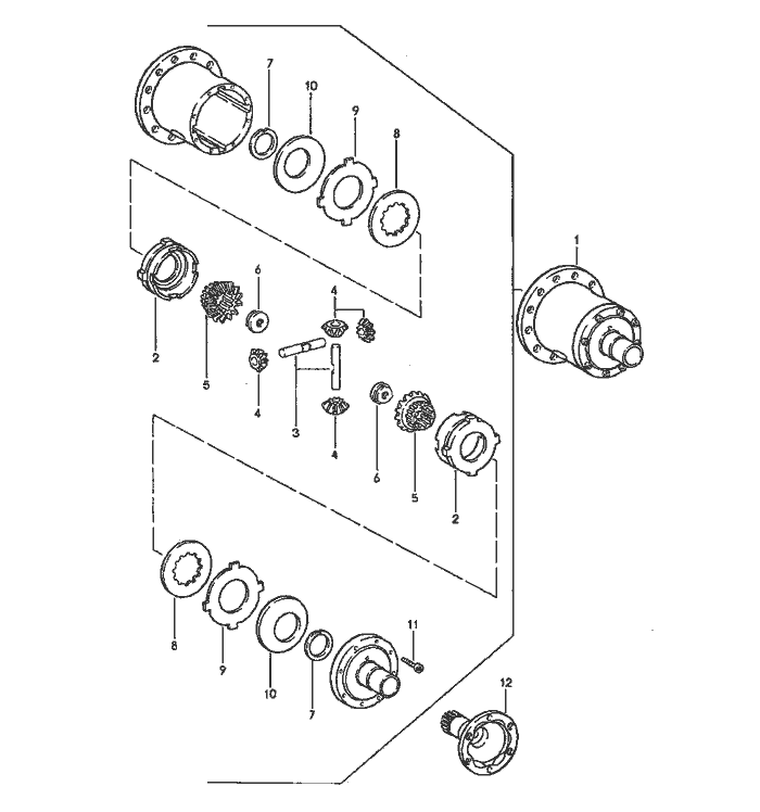
Pos__Part_Number__DescriptionRemarkQty.Model
  limited-slip differential   M 220
  for    
  manual transmission    
1 951 332 053 05limited-slip differential  1  
2 951 332 511 00thrust ring  2  
3 951 332 541 00differential shaft  2  
4 944 332 531 00bevel pinion  4  
5 944 332 535 00shaft bevel gear  2  
6 016 409 161nut  2  
7 944 332 561 00thrust washer  2  
8 951 332 551 00inner disc  2  
9 917 332 552 10disc with external splines  2  
  1,90    
9 917 332 552 11disc with external splines  X  
  2,00    
9 917 332 552 12disc with external splines  X  
  2,10    
10 928 332 555 00cup spring  2  
  2,00    
11 999 119 011 00pan-head Schraube  2  
  M 8 X 1 X 25    
12 088 409 355 Cflanged shaft  2 ASG ASH
12 016 409 355 Aflanged shaft  2 AOR


Porsche 944 8Mail.de Fanpage

Porsche 944 Home


FreeCounter by http://www.eurocounter.com