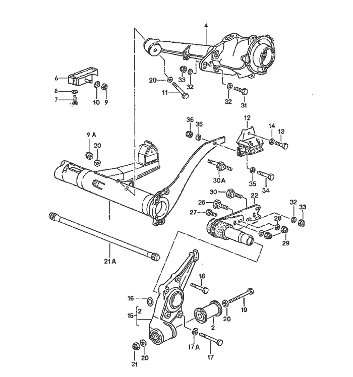
Porsche 944 Hinter Achse Carrier Teile

Hinter Achse Carrier

  
Pos__Part_Number__DescriptionRemarkQty.Model
  rear axle carrier     
  rear-axle trailing arm     
1 944 331 045 02rear-axle cross-tube   1  
2 477 501 069 Arubber bush   2  
4 951 331 021 01rear-axle trailing arm Left-89 1  
4 951 331 021 31rear-axle trailing arm Left-89 1 M 030
4 951 331 021 32rear-axle trailing arm Left-89 1 M 593/030
4 951 331 021 32rear-axle trailing arm Left901  
  when required order also:     
-964 331 199 02retainer plate   2  
-900 074 130 02hexagon-head bolt   4  
  M 8 X 40     
(4) 951 331 022 01rear-axle trailing arm Right-89 1  
(4) 951 331 022 31rear-axle trailing arm Right-89 1 M 030
(4) 951 331 022 32rear-axle trailing arm Right-89 1 M 593/030
(4) 951 331 022 32rear-axle trailing arm Right901  
  use also:     
-964 331 199 02retainer plate   2  
-900 074 130 02hexagon-head bolt   4  
  M 8 X 40     
6 477 501 089mounting  -89 2 944/944S2
6 951 333 088 30mounting  -89 2 M 030
6 951 333 088 30mounting  902  
7 N 040 272 2hexagon-head bolt   4  
  M 10 X 35     
8 N 011 527 12washer   4  
  A 10,5     
9 N 900 876 01lock nut   2  
  VM 10     
9A N 021 131 1lock nut   2  
  M 12 X 1,5     
  
Pos__Part_Number__DescriptionRemarkQty.Model
10 477 501 697washer   2  
11 N 010 190 4hexagon-head bolt   2  
  M 12 X 90     
12 944 331 075 00supporting mount Left 1  
12 951 333 083 30supporting mount Left89 1 TURBO
12 944 331 075 00supporting mount Left901 TURBO
(12) 944 331 076 00supporting mount Right 1  
(12) 951 333 084 30supporting mount Right89 1 TURBO
(12) 944 331 076 00supporting mount Right901 TURBO
13 N 010 253 7hexagon-head bolt   2  
  M 10 X 22     
14 N 012 230 6spring washer   8  
  B 10     
15 A 944 331 059 00bearing flange Left 1  
15 944 331 059 00bearing flange Left 1  
(15) A 944 331 060 00bearing flange Right 1  
(15) 944 331 060 00bearing flange Right 1  
16 951 331 667 00washer   2  
17 N 010 465 5hexagon-head bolt   2  
  M 10 X 65     
17A N 012 230 6spring washer   8  
  B 10     
18 N 010 455 3Schraube   6  
  M 10 X 55     
19 900 082 059 02hexagon-head bolt   2  
  M 12 X 1,5 X 115     
20 803 199 347washer   8  
21 N 022 141 4lock nut   2  
  VM 12 X 1,5     
  see technical information     
  GR.4 NR.8/89     
  
Pos__Part_Number__DescriptionRemarkQty.Model
21A 944 333 115 00torsion bar Left 1 944
  $ 23,5 MM     
21A 944 333 116 00torsion bar Right 1 944
  $ 23,5 MM     
21A 944 333 115 01torsion bar Left 1 944S2
  $ 24 MM     
21A 944 333 116 01torsion bar Right 1 944S2
  $ 24 MM     
(21A) 951 333 103 30torsion bar Left 1 TURBO
  $ 25,5 MM    944/944S2
      M 030/031
(21A) 951 333 104 30torsion bar Right 1 TURBO
  $ 25,5 MM    944/944S2
      M 030/031
22 951 333 021 00rear axle strut   2  
26 911 333 303 00eccentric Schraube   2  
27 911 333 305 00hexagon-head bolt   2  
28 999 025 135 02washer   4  
29 900 910 092 02lock nut   4  
  VM 16 X 1,5     
30 477 511 519camber eccentric   2  
30A 477 511 515camber eccentric   2  
  only together with     
  stabiliser     
31 N 040 108 2hexagon-head bolt   4  
  M 12 X 1,5 X 40     
32 N 011 531 7washer   8  
  A 13     
33 N 022 141 4lock nut   4  
  VM 12 X 1,5     
34 N 010 233 6hexagon-head bolt   2  
  M 8 X 28     
35 900 025 007 02washer   4  
  A 8,4     
  
Pos__Part_Number__DescriptionRemarkQty.Model
36 900 910 022 09lock nut VM 8   2  


Porsche 944 8Mail.de Fanpage

Porsche 944 Home


FreeCounter by http://www.eurocounter.com