Porsche 944 Switch Clock Teile

Switch Clock

  
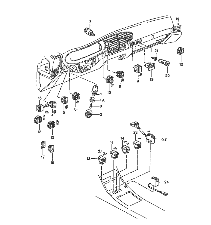
Pos__Part_Number__DescriptionRemarkQty.Model
  switch clock    
1 light switch  1  
1A 900 034 013 02hexagon nut  1  
2 944 613 535 00knob  1  
3 999 631 130 90bulb 0,30 W  1  
4 944 613 121 01switch for fog headlamp  1  
6 944 613 131 00potentiometer  1  
7 944 641 321 00tip switch trip meter  1  
8 944 613 117 00rocker switch for rear window heating  1  
9 944 613 235 00hazard warning light sw.  1  
 01Csatin black    
10 944 613 115 00potentiometer windscreen wiper system  1  
11 951 613 113 00rocker switch  1  
 01Csatin black for rear window wiper    
12 951 613 133 00tip switch for power window  3  
13 944 613 123 00tip switch  1  
 01Csatin black lifting roof    
13 944 613 123 00tip switch  1 CABRIO
 01Csatin black for convertible top electric    
  
Pos__Part_Number__DescriptionRemarkQty.Model
14 944 613 220 00rocker switch mirror changeover switch  1  
15 928 613 241 00switch door mirror  1  
16 944 613 129 01tip switch  1  
 01Csatin black for rear lid release    
17 477 867 185 Bmounting piece for switch  1  
-477 867 189spring clamp for mounting piece  2  
19 944 641 913 00clock  1  
 01Csatin black    
-944 641 900 00glass-base bulb  1  
20 944 652 307 00cigarette lighter  1  
21 644 652 112 00glower  1  
-999 632 014 00bulb socket for cigarette lighter  1  
-N 012 469 1circlip for cigarette lighter  1  
22 944 645 054 00fader  1  
23 951 613 147 00switch  1  
 01Csatin black door latch    
25 944 613 265 00knob for switch door mirror  1  


Porsche 944 8Mail.de Fanpage

Porsche 944 Home


FreeCounter by http://www.eurocounter.com