Porsche 944 Cruise Control Teile

Cruise Control

  
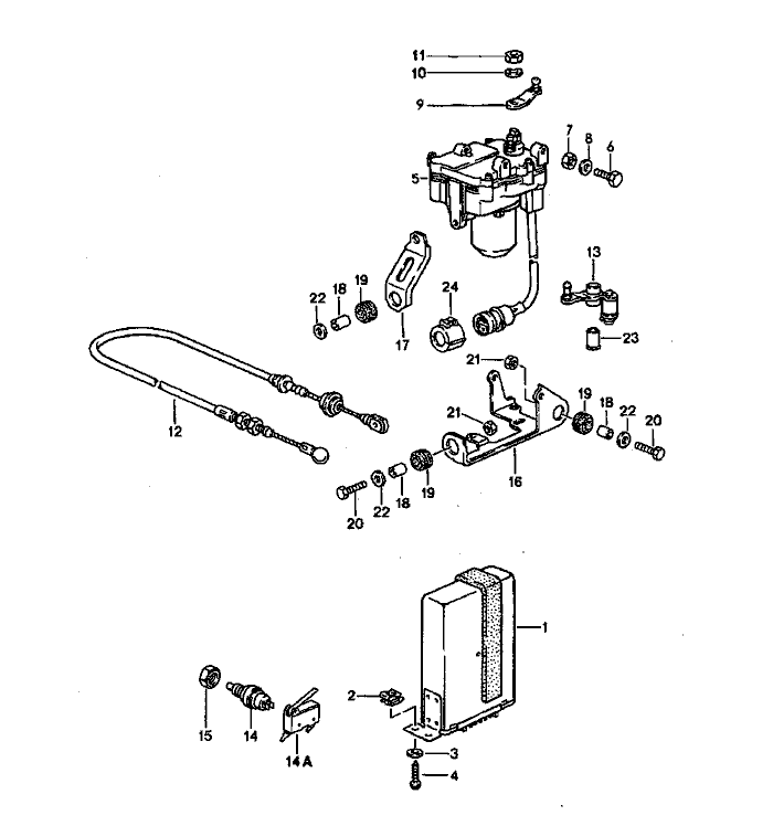
Pos__Part_Number__DescriptionRemarkQty.Model
  cruise control    M 454
1 944 617 132 00control unit   1  
2 N 015 422 2speed nut   2  
  B 4,2 X 17     
3 N 012 225 3spring washer   2  
  B 5     
4 N 013 964 4tapping Schraube   2  
  B 4,2 X 16     
5 944 617 121 00drive link   1  
6 999 072 005 09hexagon-head bolt   2  
  M 6 X 12     
7 900 076 010 02hexagon nut   2  
  M 6     
8 N 011 524 7washer   2  
  A 6,4     
9 944 423 047 00lever   1  
  for     
  drive link     
10 N 012 229 3spring washer   1  
  A 8     
11 N 011 018 4hexagon nut   1  
  M 8 X 1     
12 944 423 025 02cable Left Hand Drive 1  
13 944 423 055 00reverse lever Left Hand Drive 1  
14 944 613 413 00switch Left Hand Drive 1  
  for     
  clutch pedal     
15 481 945 529nut   1  
  M 12 X 1     
16 944 423 215 02support   1  
17 944 423 115 02strut   1  
18 999 531 014 02bush   3  
19 999 702 133 40rubber mounting   3  
  
Pos__Part_Number__DescriptionRemarkQty.Model
20 900 075 017 02hexagon-head bolt M 6 X 25  2  
21 900 076 010 02hexagon nut M 6  2  
22 N 011 666 7washer B 6,1  4  
23 999 924 001 40bush  2  
24 944 612 450 00support  1  
-999 651 207 40cable holder  2  
-171 721 570 Alocking plate for cable  1  


Porsche 944 8Mail.de Fanpage

Porsche 944 Home


FreeCounter by http://www.eurocounter.com