Porsche 968 Motor Schmierung Teile

Motor Schmierung

  
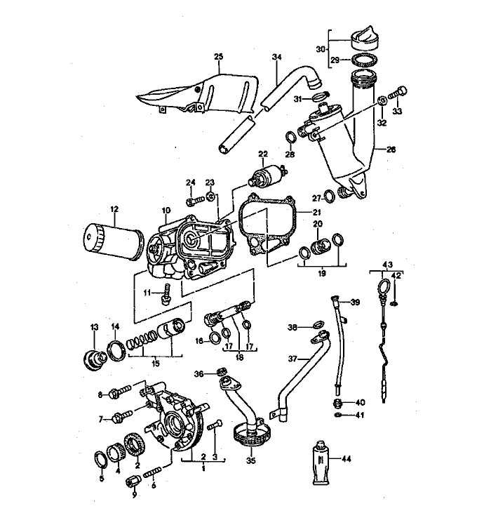
Pos__Part_Number__DescriptionRemarkQty.Model
  engine lubrication   M44.43/44
1 944 107 014 11oil pump  1  
2 999 113 331 40shaft sealing ring  1  
  38 X 52 X 7    
3 900 249 017 02countersunk-head Schraube  2  
  M 6 X 25    
4 944 107 161 02toothed sleeve  1  
5 999 707 283 40round seal  1  
  28 X 2,5    
6 999 062 123 02stud  3  
  M 6 X 45    
7 900 075 345 02hexagon-head bolt  4  
  M 6 X 35    
8 900 074 317 02hexagon-head bolt  1  
  M 10 X 45 Z1    
9 944 102 249 00spacer  3  
10 944 107 056 00thermostat housing  1  
11 N 090 378 1pan-head Schraube  1  
  M 8 X 25 Z1    
12 944 107 201 08oil filter  1  
13 951 107 153 01Schraube plug  1  
14 900 123 136 30sealing ring  1  
  A 42 X 49    
15 951 107 155 01thermostat  1  
16 N 043 815 3sealing ring  1  
  A 20 X 24    
17 999 707 144 40sealing ring  2  
18 944 107 035 02relief valve  1  
19 999 707 043 40o-ring  2  
20 951 107 152 03connection piece  1  
21 944 107 147 03gasket  1  
  
Pos__Part_Number__DescriptionRemarkQty.Model
22 928 606 203 01oil pressure sender  1  
23 900 232 004 02washer  4  
24 900 075 029 09hexagon-head bolt  4  
  M 8 X 25    
25 944 107 053 04cover plate  1  
26 944 107 180 11oil separator  1  
27 999 707 192 40round seal  1  
  24 X 5    
28 999 707 191 40round seal  1  
  20 X 5    
29 999 701 846 40o-ring  1  
  4,00 X 45,00    
30 944 107 091 01oil filler cover  1  
31 999 512 252 02hose clamp  1  
32 900 025 007 02washer  3  
  A 8.4    
33 900 075 029 09hexagon-head bolt  3  
  M 8 X 25    
34 944 107 311 06moulded hose  1  
35 944 107 032 07suction tube  1  
36 944 107 136 03sealing ring  1  
37 944 107 052 01return pipe  1  
38 999 707 079 40o-ring  1  
  20 X 1,3    
39 944 101 024 09guide tube  1  
40 944 107 329 00spacer sleeve  1  
41 900 174 044 40round seal  1  
42 900 331 013 40o-ring  1  
  6,7 X 1,8    
43 944 107 025 01oil level dipstick  1  
  
Pos__Part_Number__DescriptionRemarkQty.Model
44 000 043 010 00loctite -57450 ML  1  
44 000 043 124 00loctite ACTIVATOR N -764120 ML  1  


Porsche 944 8Mail.de Fanpage

Porsche 944 Home


FreeCounter by http://www.eurocounter.com