Porsche 968 Öl Kühlung Teile

Öl Kühlung

  
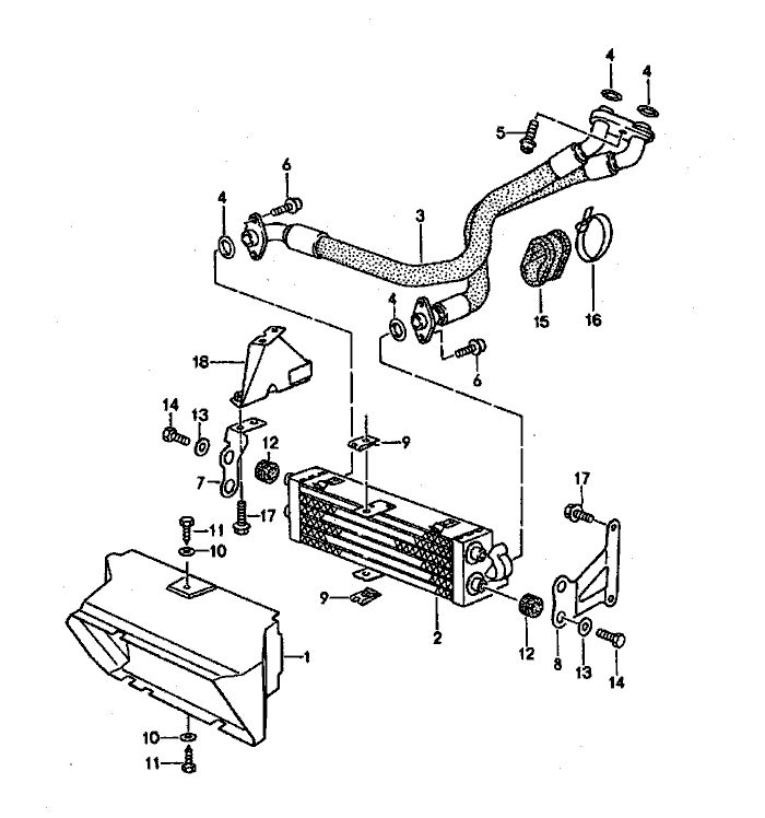
Pos__Part_Number__DescriptionRemarkQty.Model
  oil cooling   M44.43/44
1 944 207 311 02air duct  1  
2 944 207 309 01oil cooler  1  
3 944 207 011 04oil pipe  1  
4 900 331 022 40o-ring  4  
5 N 090 378 1pan-head Schraube  1  
  M 8 X 25 Z1    
6 900 067 009 02pan-head Schraube  4  
  M 6 X 15    
7 944 207 315 02support  1  
8 944 207 317 00support  1  
9 999 591 489 02speed nut  2  
10 N 011 665 3washer  2  
11 N 013 884 4tapping Schraube  2  
12 056 129 669 Bgrommet  4  
13 N 011 612 3washer  4  
14 999 072 005 09hexagon-head bolt  4  
15 930 207 265 00rubber mounting  1  
16 N 020 906 3tie-wrap  1  
17 900 075 374 02combination Schraube  6  
  M 6 X 14 Z2    
18 944 504 509 00support  1  


Porsche 944 8Mail.de Fanpage

Porsche 944 Home


FreeCounter by http://www.eurocounter.com