Porsche 968 Tiptronic Teile

Tiptronic

  
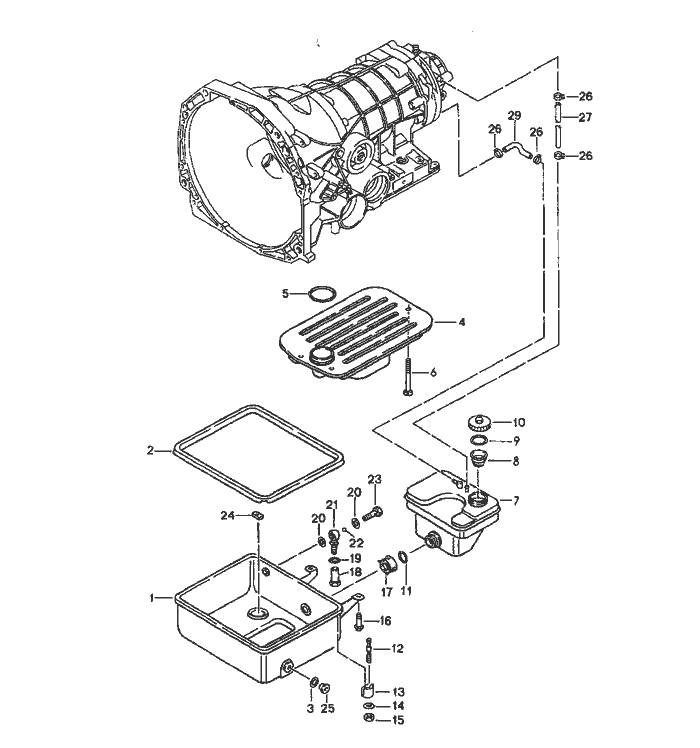
Pos__Part_Number__DescriptionRemarkQty.Model
  tiptronic   A44.00
  oil pan    
  oil strainer    
1 944 321 025 00oil pan  1  
2 * 944 321 124 00oil sump gasket  1  
3 * 944 397 025 00sealing ring  1  
  A 1,20    
4 * 944 307 110 00oil strainer  1  
5 * 944 397 001 00round seal  1  
6 943 397 006 00pan-head Schraube  7  
  M 6 X 80    
7 944 307 475 00filling container  1  
8 477 321 479 Astrainer  1  
9 477 321 483 Around seal  1  
10 477 321 481Schraube-on cap  1  
11 477 321 487o-ring  1  
12 944 397 060 00stud  4  
  M 6    
13 943 321 161 01retaining bracket  4  
14 944 397 021 00washer  4  
15 944 397 027 00hexagon nut  4  
  M 6    
16 944 397 006 01pan-head Schraube  2  
  M 6 X 10    
17 477 321 485union nut  1  
  M 26 X 1,5    
18 944 397 028 00cap nut  1  
  M 14 X 1,5    
19 944 397 029 01sealing ring  1  
  A 14 X 18    
20 944 397 029 01sealing ring  2  
  A 14 X 18    
  
Pos__Part_Number__DescriptionRemarkQty.Model
21 943 307 101 00connection piece  1  
22 944 397 033 00ball 6 MM  1  
23 944 397 034 00banjo bolt 10  1  
24 943 321 119 00magnet  1  
25 944 397 031 00Schraube plug M 10 X 1  1  
26 944 397 032 00hose clamp 14,0  4  
27 944 307 121 00hose  1  
29 944 307 121 01hose  1  


Porsche 944 8Mail.de Fanpage

Porsche 944 Home


FreeCounter by http://www.eurocounter.com