Porsche 968 Power Lenkung Teile

Power Lenkung

  
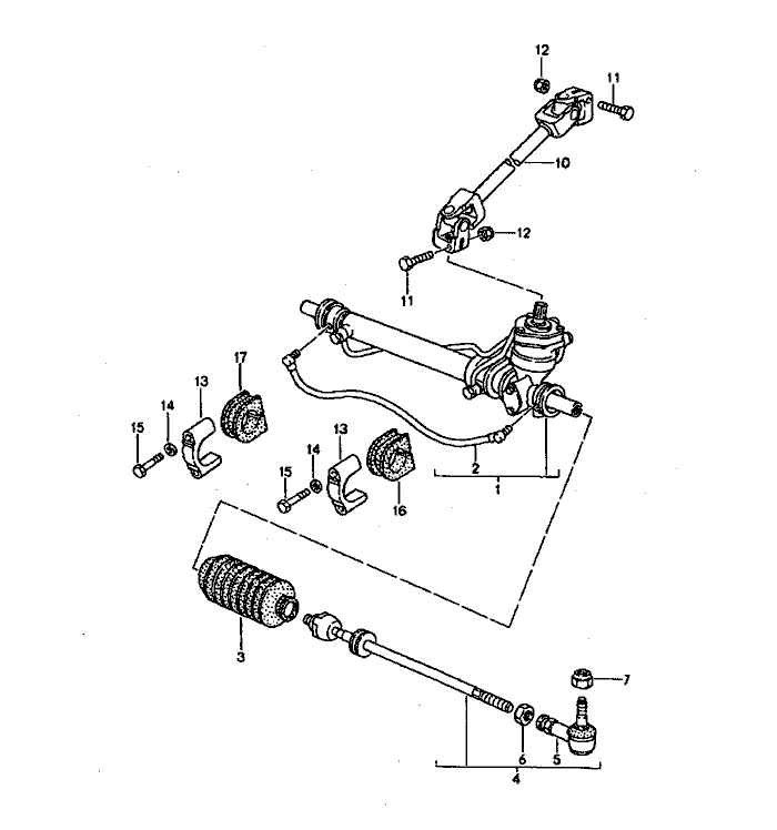
Pos__Part_Number__DescriptionRemarkQty.Model
  power steering     
  steering gear     
  tie rod     
1 944 347 011 24steering gear Left Hand Drive 1  
2 944 347 311 00compensating line   1  
3 171 419 831 Cboot   2  
4 944 347 033 23tie rod   2  
5 944 347 333 04ball joint   2  
6 900 034 024 07hexagon nut   2  
  M 14 X 1,5     
7 N 022 141 1lock nut   2  
  M 12 X 1,5     
10 944 347 027 02drive shaft Left Hand Drive 1  
11 N 010 335 7hexagon-head bolt   2  
  M 8 X 35     
12 900 910 022 09lock nut   2  
  M 8     
13 944 347 223 01clip Left Hand Drive 2  
14 900 025 007 02washer   4  
  A 8,4     
15 U N 010 360 6hexagon-head bolt Left Hand Drive 4  
  M 8 X 60     
15 900 074 281 08hexagon-head bolt Left Hand Drive 4  
  M 8 X 60     
16 944 347 137 00rubber insert Left 1  
17 944 347 139 01rubber insert Right 1  


Porsche 944 8Mail.de Fanpage

Porsche 944 Home


FreeCounter by http://www.eurocounter.com