Porsche 968 Disc Bremse Teile

Disc Bremse

  
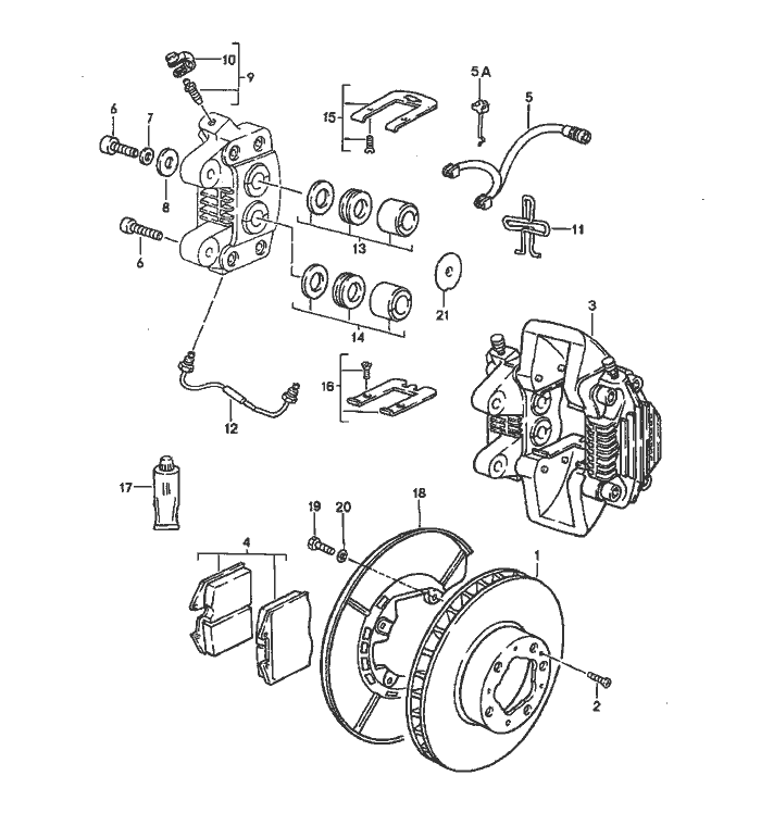
Pos__Part_Number__DescriptionRemarkQty.Model
  disc brake     
  rear axle     
  see technical information     
  GR.4, NR1/93     
1 951 352 041 02brake disc   2  
(1) 951 352 041 91brake disc   2 M 030
2 N 033 167 1countersunk-head Schraube   2  
  M 6 X 12     
3 951 352 421 02fixed calliper Left 1  
  with     
  protection cap     
  piston     
(3) 951 352 422 02fixed calliper Right 1  
  with     
  protection cap     
  piston     
  $ 28/30     
4 951 351 939 08brake pad repair set   1  
  without asbestos     
4 965 352 939 04brake pad repair set   1 M 030
  without asbestos     
5 944 612 365 01warning contact   2  
  use also:     
5A 928 612 361 00cable holder   2  
6 N 040 108 1hexagon-head bolt   4  
  M 12 X 1,5 X 40     
7 900 028 014 02spring washer   4  
  B 12     
8 999 025 131 01spacer   4  
9 930 351 919 00ventilation valve   4  
10 930 351 927 00dust boot   4  
11 951 352 950 00expanding spring   2  
12 951 352 971 00connecting line   2  
  
Pos__Part_Number__DescriptionRemarkQty.Model
13 951 352 919 11gasket set with protection cap $ 30  2  
14 951 352 919 10gasket set with  2  
  protection cap $ 28    
15 993 352 959 01repair kit spring plate  2  
16 993 352 959 00repair kit spring plate  2  
17 000 043 020 00optimoly TA 1 100-gramme tube  X  
(17) 000 043 117 00brake cylinder paste 1 50-g tube  X  
18 964 352 801 00protective plate  2  
19 999 072 005 09hexagon-head bolt M 6 X 12  8  
20 N 012 226 5spring washer  8  
21 964 352 096 00damping plate for  4  
  piston $ 30    
21 964 352 096 01damping plate for  4  
  piston $ 28    


Porsche 944 8Mail.de Fanpage

Porsche 944 Home


FreeCounter by http://www.eurocounter.com