Porsche 968 Heater Teile

Heater

  
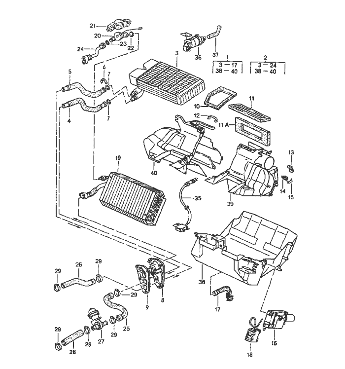
Pos__Part_Number__DescriptionRemarkQty.Model
  heater     
  air conditioner     
1 944 572 020 03heater   1  
2 944 573 020 04heater  -92 1 M 573
2 944 573 020 05heater  931 M 573
3 944 572 130 00heat exchanger   1  
4 944 572 184 00water tube   1  
  return line     
5 944 572 185 00water tube   1  
  supply     
6 944 572 287 00clip   2  
7 944 572 188 00o-ring   2  
8 944 572 262 00mounting plate   1  
(9) 944 572 264 00gasket   1  
9 944 573 264 00gasket   1 M 573
10 944 572 201 00gasket Left 1  
(10) 944 572 202 00gasket Right 1  
11 944 572 162 01gasket   1  
11A 944 572 162 02gasket   1  
12 944 572 215 00spring clamp   9  
13 944 572 313 00bearing   3  
14 944 572 314 00bearing   3  
15 944 572 217 00spring clamp   3  
16 944 624 119 00electric motor   2  
  60 degrees     
(16) 944 624 120 00electric motor   1  
  98 degrees     
17 944 572 221 00water drain hose   1  
18 944 659 221 00temperature sensor   1 M 573
  
Pos__Part_Number__DescriptionRemarkQty.Model
19 944 573 211 01evaporator  -92 1 M 573
19 944 573 211 02evaporator  931 M 573
20 944 573 201 00expansion valve  -92 1 M 573
20 944 573 201 01expansion valve  931 M 573
21 477 820 447 Binsulator   1 M 573
22 944 573 215 00o-ring  -92 1 M 573
22 944 573 217 00o-ring  931 M 573
23 944 573 216 00o-ring  -92 1 M 573
23 944 573 218 00o-ring  931 M 573
24 944 573 213 00refrigerant line  -92 1 M 573
24 944 573 213 01refrigerant line  931 M 573
25 944 572 587 02water hose   1  
  supply     
26 944 572 589 00water hose   1  
  return line     
27 928 574 573 03disc valve   1  
28 944 572 385 01heater hose   1  
29 999 512 346 00hose clamp   X  
  SGT 16-25     
35 944 653 121 00temperature sensor   1  
36 944 624 013 00interior sensor   1  
37 944 572 529 00hose   1  
  interior sensor     
38 944 572 135 01housing   1  
  lower part     
39 944 572 121 01housing Left 1  
40 944 572 122 01housing Right 1  


Porsche 944 8Mail.de Fanpage

Porsche 944 Home


FreeCounter by http://www.eurocounter.com