Porsche 968 Windscreen Washer System Teile

Windscreen Washer System

  
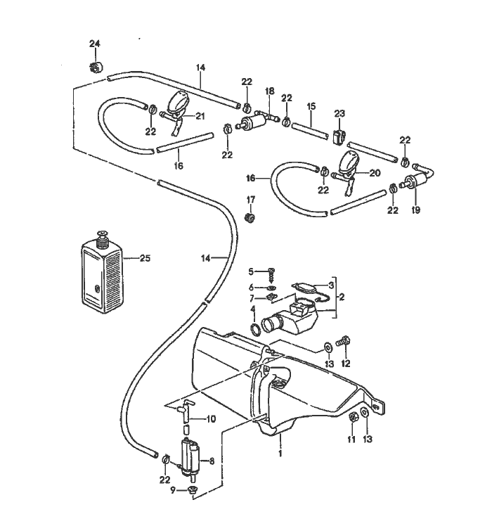
Pos__Part_Number__DescriptionRemarkQty.Model
  windscreen washer system     
1 A 944 528 375 02fluid tank  92 1  
  for cars with     
  headlight washer system     
1 944 528 375 02fluid tank   1  
  for cars with     
  headlight washer system     
(1) 944 528 375 03fluid tank   1  
  for cars without     
  headlight washer system     
2 944 528 373 00filler neck   1  
3 944 528 621 00lid   1  
4 999 701 723 40o-ring   1  
5 900 143 124 07tapping Schraube   2  
  BZ 3.5 X 13     
6 900 025 050 07washer   2  
  A 3,5     
7 999 591 349 02speed nut   2  
  B 3,5     
8 944 628 072 00pump   1  
9 944 628 321 00gasket   1  
10 944 628 063 00vent hose   1  
11 900 076 010 02hexagon nut   1  
  M 6     
12 N 010 210 13hexagon-head bolt   1  
  M 6 X 10     
13 N 011 666 7washer   2  
  B 6,4     
-999 181 722 40hose   *  
  4,6 X 1,8     
14 -1950 MM /LL  1  
15 -660 MM   1  
16 -300 MM   2  
  
Pos__Part_Number__DescriptionRemarkQty.Model
17 999 702 137 40rubber sleeve   1  
18 914 628 433 00valve   1  
19 477 955 481valve  -93 1  
19 914 628 215 00valve  941  
20 928 628 077 00nozzle Left-93 1  
 70Bblack heatable     
20 993 628 077 00nozzle Left941  
 01Cblack heatable     
21 944 628 077 00nozzle Right-93 1  
 01Cblack heatable     
21 993 628 077 01nozzle Right941  
 01Cblack heatable     
22 N 100 020 01clamp 10/6   8  
23 944 628 181 00retaining clip   8  
24 431 971 848 Aretaining clip   2  
25 999 901 017 41window cleaner 250 ML   X  
  summer     
25 999 901 033 40window cleaner 1000 ML winter   X  


Porsche 944 8Mail.de Fanpage

Porsche 944 Home


FreeCounter by http://www.eurocounter.com