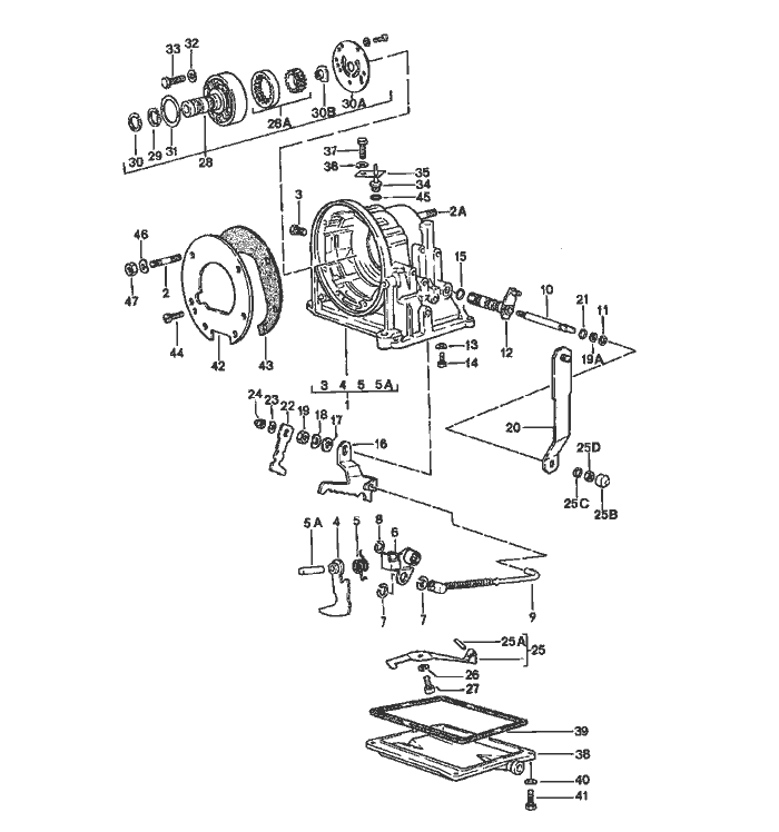
 Porsche 924S Getriebe Control |
 Porsche 924S Getriebe Case |
 Porsche 924S Ersatz- Getriebe |
 Porsche 924S Gears und Shafts |
 Porsche 924S Getriebe Aufhängung For Automatic Tr... |
 Porsche 924S Central Tube |
 Porsche 924S Öl Kühlung |
 Porsche 924S Limited Slip Differential |
 Porsche 924S Differential |
 Porsche 924S Differential |
 Porsche 924S Slide Valve Gearbox |
 Porsche 924S Reperatur Kits |
 Porsche 924S Getriebe Aufhängung Manual Transmiss... |
 Porsche 924S Ersatz- Getriebe |
 Porsche 924S Central Tube |
 Porsche 924S Clutch |
 Porsche 924S Öl Inlet Automatic Getriebe |
 Porsche 924S Getriebe Control |