- Motor
- Kraftstoff/Auspuff
- Getriebe
- Vorder Achse/Lenkung
- Hinter Achse
- Bremsen/Räder
- Pedal System/Hebel
- Body
- Elektrik
Porsche 924S Diagramme
Explosionszeichnungen, Diagramme, Teilenummern für alle Teile des Porsche 924S
![]() Porsche 924S Stabiliser |
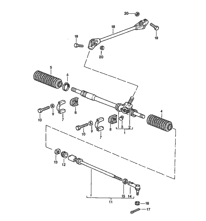
![]() Porsche 924S Lenkung Gear |
![]() Porsche 924S Aufhängung |
![]() Porsche 924S Wishbone |
![]() Porsche 924S Lenkung Rad Lenkung Column |
![]() Porsche 924S Lenkung Knuckle |
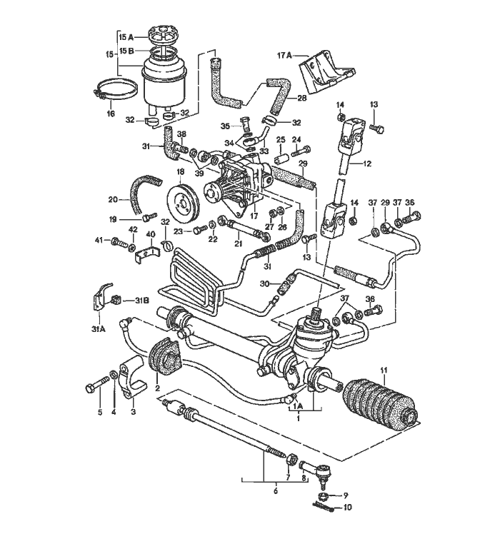
![]() Porsche 924S Power Lenkung |







