Porsche 944 Diagramme

Explosionszeichnungen, Diagramme, Teilenummern für alle Teile des Porsche 944

Porsche 944 Antrieb Ausgleichswelle Nockenwelle

Porsche 944 Short Motor Short Motor

Porsche 944 Wasser Pumpe

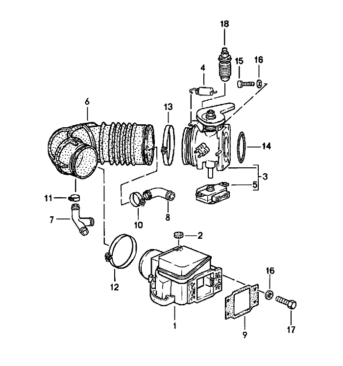
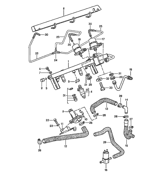
Porsche 944 L Jetronic

Porsche 944 Luft Cleaner System

Porsche 944 L Jetronic

Porsche 944 Kurbelgehäuse

Porsche 944 Antrieb Ausgleichswelle

Porsche 944 L Jetronic 3

Porsche 944 Protective Plate

Porsche 944 Motor Schmierung

Porsche 944 Motor Aufhängung

Porsche 944 Wasser Kühlung

Porsche 944 Zylinder Kopf

Porsche 944 Kurbelwelle Connecting Rod

Porsche 944 Nockenwelle Housing

Porsche 944 Reperatur Kits

Porsche 944 Kolben Kolben Ringe

Zum Anfang

Porsche 944 Auspuff System

Porsche 944 Auspuff System

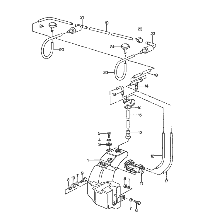
Porsche 944 Kraftstoff Tank

Porsche 944 Carbon Canister

Porsche 944 Kraftstoff System

Zum Anfang

Porsche 944 Shift Rods

Porsche 944 Getriebe Case

Porsche 944 Crash Protection

Porsche 944 Ersatz- Getriebe

Porsche 944 Gears und Shafts

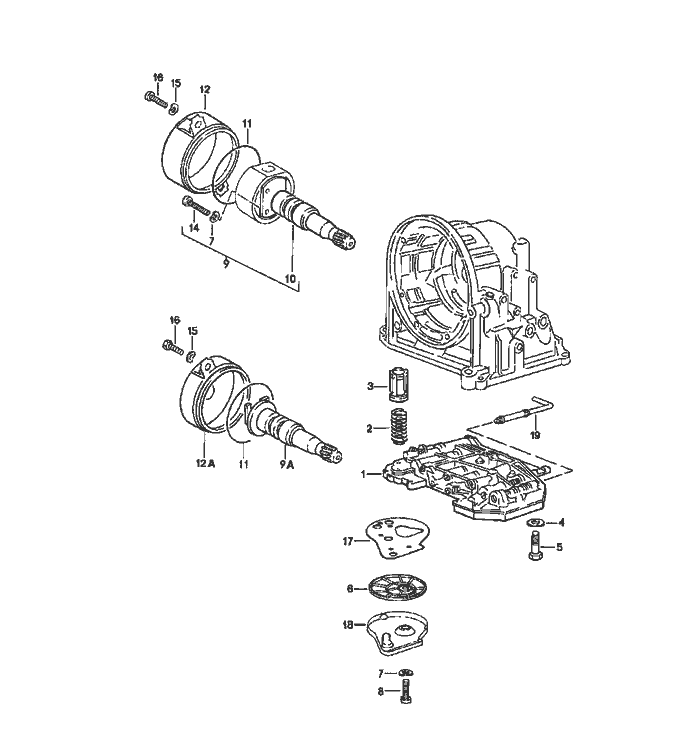
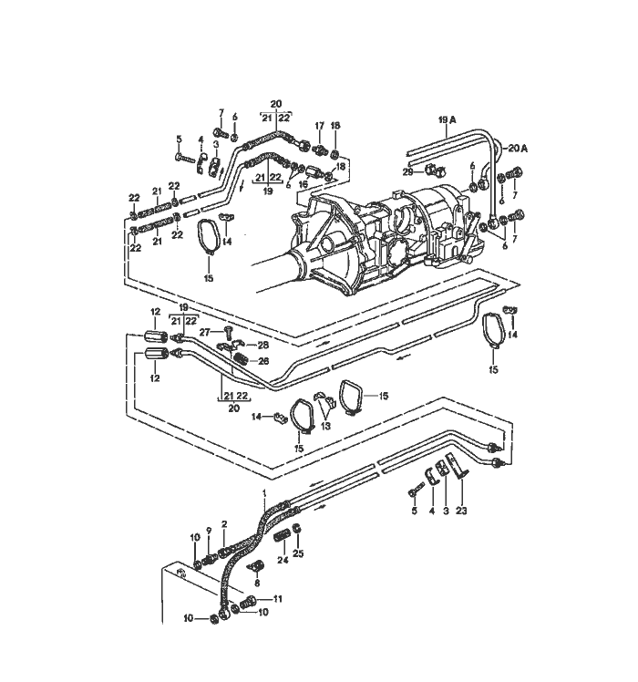
Porsche 944 Getriebe Aufhängung Automatic Transm...

Porsche 944 Central Tube

Porsche 944 Getriebe Öl Cooler

Porsche 944 Limited Slip Differential For Manual Tra...

Porsche 944 Differential

Porsche 944 Differential

Porsche 944 Slide Valve Gearbox

Porsche 944 Reperatur Kits

Porsche 944 Getriebe Aufhängung For Manual Trans...

Porsche 944 Ersatz- Getriebe

Porsche 944 Central Tube

Porsche 944 Clutch

Porsche 944 Öl Inlet Automatic Getriebe

Porsche 944 Getriebe Teile Automatic Transmissio...

Zum Anfang

Porsche 944 Lenkung Gear

Porsche 944 Stabiliser

Porsche 944 Aufhängung

Porsche 944 Wishbone

Porsche 944 Lenkung Rad Lenkung Column

Porsche 944 Lenkung Knuckle

Porsche 944 Sports Aufhängung

Porsche 944 Power Lenkung

Zum Anfang

Porsche 944 Vibration Damper

Porsche 944 Drive Shaft

Porsche 944 Hinter Rad Shaft

Porsche 944 Hinter Achse Carrier

Zum Anfang

Porsche 944 Bremse Lines

Porsche 944 Disc Bremse

Porsche 944 Bremse Master Zylinder

Porsche 944 Disc Bremse

Porsche 944 Disc Rad

Porsche 944 Reperatur Kits

Zum Anfang

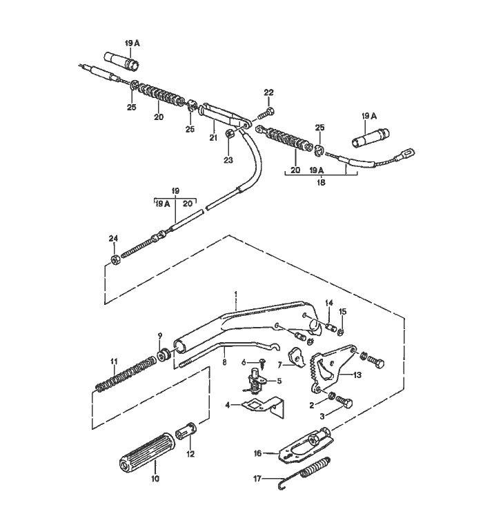
Porsche 944 Accelerator Pedal Accelerator Cable For ...

Porsche 944 Shift Mechanism

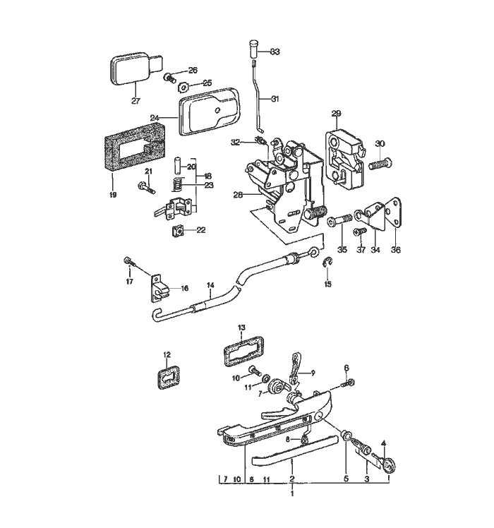
Porsche 944 Parking Bremse Lever

Porsche 944 Pedals

Porsche 944 Shift Mechanism

Porsche 944 Accelerator Pedal

Zum Anfang

Porsche 944 Sports Seat Backrest Single Teile

Porsche 944 Getriebe Carrier

Porsche 944 Seat Belt

Porsche 944 Seat Belt

Porsche 944 Luft Vent Cover Luft Hose

Porsche 944 Sports Seat Seat Cushion Single Teile

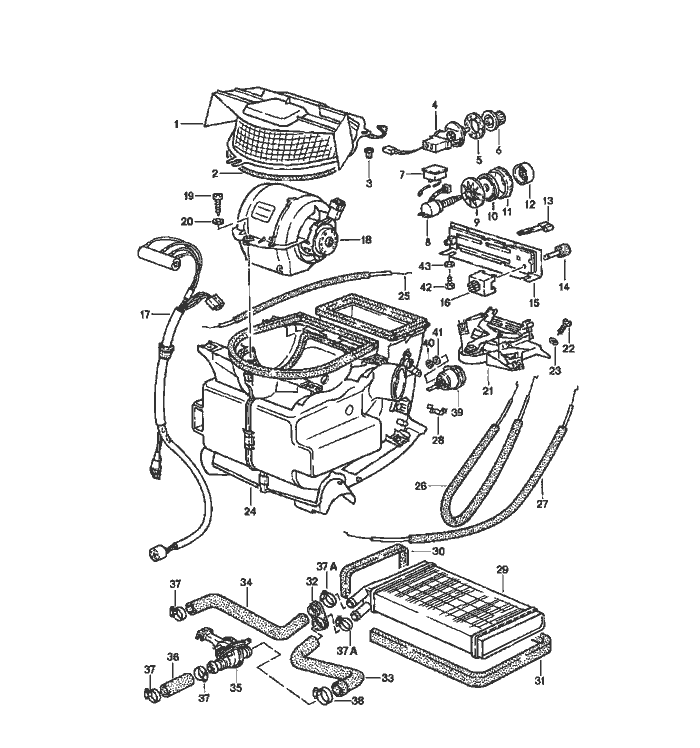
Porsche 944 Luft Conditioner

Porsche 944 Body Vorder Section

Porsche 944 Door Trim Panel Rooflining

Porsche 944 Luggage Compartment Cover

Porsche 944 Side Section

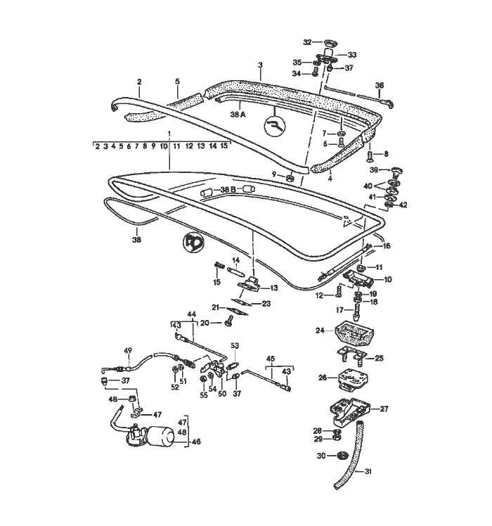
Porsche 944 Hinter Lid With Hinter Window Hinter Spoiler

Porsche 944 Installation Teile

Porsche 944 Sound Absorber

Porsche 944 Body In White Prime Coated Sealed With U...

Porsche 944 Reperatur Kits

Porsche 944 Window Glazing

Porsche 944 Luft Conditioner

Porsche 944 Wing

Porsche 944 Sports Seat Complete

Porsche 944 Vorder Seat

Porsche 944 Installation Teile

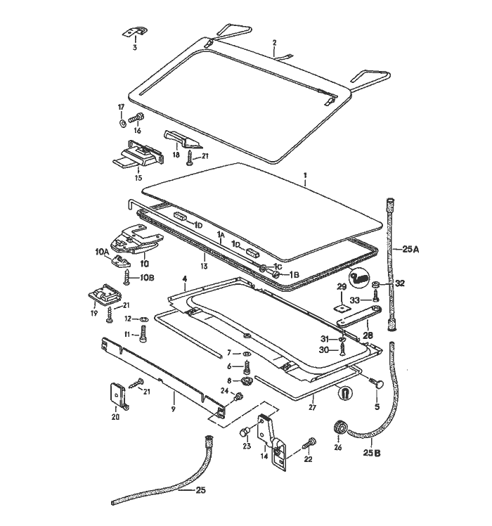
Porsche 944 Lifting Roof

Porsche 944 Side Member

Porsche 944 Vorder Spoiler

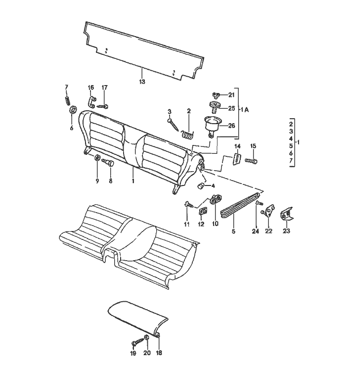
Porsche 944 Back Seat

Porsche 944 Lifting Roof

Porsche 944 Compressor

Porsche 944 Door

Porsche 944 Dashboard

Porsche 944 Back Seat

Porsche 944 Vacuum Control

Porsche 944 Heating

Porsche 944 Vorder Seat

Porsche 944 Pop Up Kopflight

Porsche 944 Interior Mirror

Porsche 944 Bumper

Porsche 944 Cassette Box

Porsche 944 Trim Frame

Porsche 944 Linings

Porsche 944 Lid

Porsche 944 Insignias Stone Guard Film

Zum Anfang

Porsche 944 Generator

Porsche 944 Wiring Harnesses Dashboard Centre Consol...

Porsche 944 Elektrik Fan

Porsche 944 Reperatur Kits

Porsche 944 Wiring Harnesses Motor Compartment Dme...

Porsche 944 Starter

Porsche 944 Interior Light

Porsche 944 Instruments

Porsche 944 Motor Elektriks 2

Porsche 944 Push On Connector

Porsche 944 Kopflight Washer System

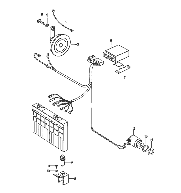
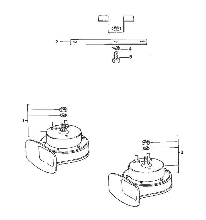
Porsche 944 Horn

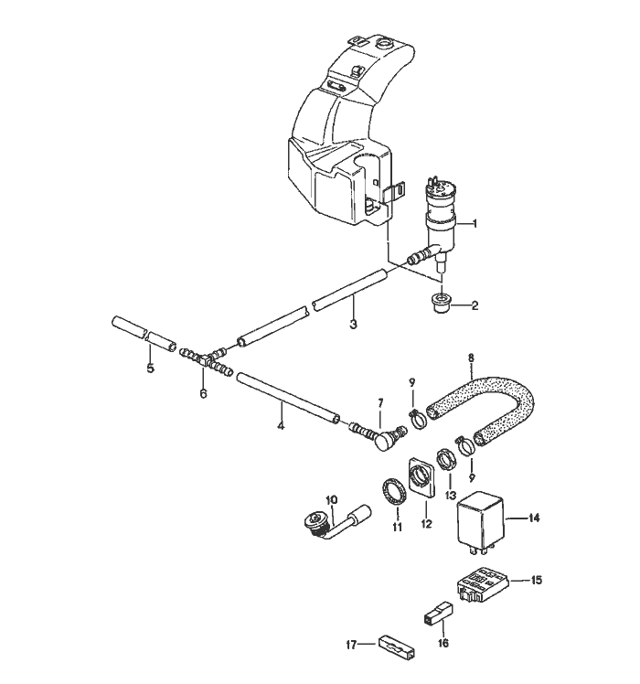
Porsche 944 Windscreen Washer System

Porsche 944 Fog Kopflamp

Porsche 944 Motor Elektriks 1

Porsche 944 Hinter Window Wiper

Porsche 944 Cruise Control

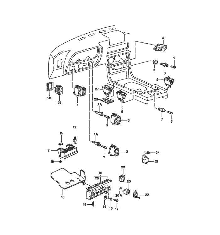
Porsche 944 Switch

Porsche 944 Wiring Harnesses Hinter End

Porsche 944 Speedometer

Porsche 944 Kopflamp

Porsche 944 License Plate Light

Porsche 944 Direction Indicator Light Vorder

Porsche 944 Lenkung Lock Housing Lenkung Column Sw...

Porsche 944 Windscreen Wiper System

Porsche 944 Alarm System

Zum Anfang



Porsche 944 8Mail.de Fanpage

Porsche 944 Home


FreeCounter by http://www.eurocounter.com